豆豆网

 找回密码
 立即注册

QQ登录

只需一步,快速开始

查看: 1912|回复: 0

一份一类高层高层钢筋混凝土结构办公建筑电气CAD施工图纸(附计算书)

[复制链接]

0

主题

0

帖子

1096

积分

超级版主

Rank: 8Rank: 8

积分
1096
发表于 2020-2-18 09:05:38 | 显示全部楼层 |阅读模式

该帖子包含附件可供参考学习和下载,您可以 搜索 更多您想要的资源


  • 建筑类别:办公
  • 建筑高度类型:高层建筑
  • 建筑设计结构形式:钢筋混凝土结构
  • 建筑设计面积:24900平方米
  • 图纸设计深度:施工图
  • 参考图纸:45张
  • 设计年代:近代
  • 地下室用途:人防
  • 节点大样:人防
  • 防雷等级:第三类
  • 接地方式:TN-S
  • 项目所在地:湖北
  • 强电设计:供配电系统,电气照明,建筑物防雷,接地安全,其它
  • 弱电设计: 火灾自动报警系统 ,视频监控系统,出入口控制系统,综合布线系统,通信系统,有线电视和卫星接收系统,信息网络系统

附件详情

  • 设计说明(一)
  • 设计说明(二)及主要设备材料表
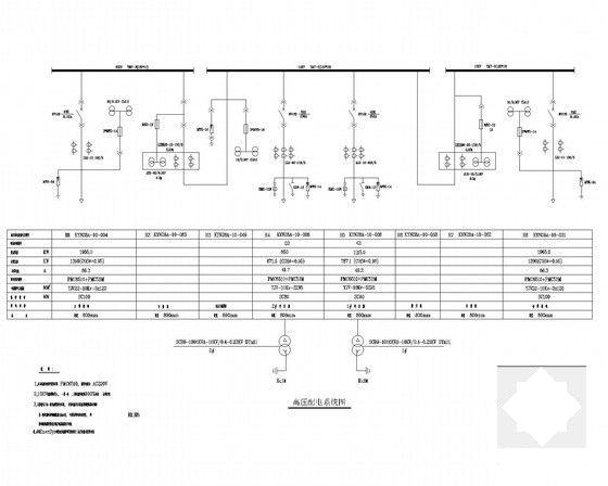
  • 高压配电系统图
  • 低压配电系统图(一)
  • 低压配电系统图(二)
  • 变电所平、剖面布置,接地平面图
  • 干线系统图
  • 配电箱系统图(一)
  • 配电箱系统图(二)
  • 配电箱系统图(三)
  • 电气火灾监控系统图
  • 地下室照明平面图
  • 地下室电力平面图
  • 一层照明,电力平面图
  • 二层照明平面图
  • 二层电力平面图
  • 三层照明平面图
  • 三层电力平面图
  • 四层照明,电力平面图
  • 五~七层,九~十一层,二十层照明,电力平面图
  • 八层,十二~十九层照明平面图
  • 八层,十二~十六层电力平面图
  • 十七~十九层电力平面图
  • 机房层电力,照明平面图
  • 屋面 防雷平面图
  • 接地平面图
  • 火灾自动报警及联动控制系统图
  • 综合布线及出入口控制系统图
  • 卫星天线及有线电视系统图
  • 闭路电视监控系统图
  • 地下一层火灾自动报警及联动控制平面图
  • 一层火灾自动报警及联动控制平面图
  • 二层火灾自动报警及联动控制平面图
  • 三层火灾自动报警及联动控制平面图
  • 四层火灾自动报警及联动控制平面图
  • 五~十六及二十层火灾自动报警及联动控制平面图
  • 十七~十九及机房层火灾自动报警及联动控制平面图
  • 地下一层 弱电平面图
  • 一层弱电平面图
  • 二层弱电平面图
  • 三层弱电平面图
  • 四层及机房、屋顶层弱电平面图
  • 五~十六层及二十层弱电平面图
  • 十七~十九层弱电平面图

附件详情

该项目为办公建筑,主要用途为办公,兼顾会议及报告厅、厨房和餐厅等用房。本建筑物总建筑面积约2.49万平方米。地下室为停车场及设备用房总高度为79.1米,属于一类高层建筑。设计范围:供配电系统;电力照明;防雷接地系统;通信网络系统;综合布线系统;有线电视系统;闭路监视系统;出入口控制系统;火灾自动报警控制系统等。,图纸共45张。


二层照明平面图

干线系统图

闭路电视监控系统图

出入口控制系统图

高压配电系统图

系统图

一层平面图

低压配电系统图

高层办公建筑图纸 - 1
第 1 张图
高层办公建筑图纸 - 2
第 2 张图
高层办公建筑图纸 - 3
第 3 张图
高层办公建筑图纸 - 4
第 4 张图
高层办公建筑图纸 - 5
第 5 张图
高层办公建筑图纸 - 6
第 6 张图
高层办公建筑图纸 - 7
第 7 张图
以上是部分图纸截图,有些图框没有放大后再截图,可能截图里不清晰或者看不到内容,您可以在下载后查看具体内容

温馨提示:该资料由网友于2020-2-18 09:05:38上传分享,您可以下载该资料进行学习和参考,如有侵权内容或者违法行为,请及时联系站长删除,如有疑问,您可以在电气工程专区发帖交流相关知识。

附件2099v11edeewc1cd0w1c2cff0s.rar

4.52 MB

下载  售价: 100 积分    赚积分

高层办公建筑图纸相关帖子

回复

使用道具 举报

您需要登录后才可以回帖 登录 | 立即注册

本版积分规则

QQ|联系我们|豆豆网 ( 苏ICP备20004746号-1 )

GMT+8, 2025-12-25 05:09 , Processed in 0.017656 second(s), 27 queries .

本站所有内容均由网友自主分享,如有侵权内容或者违法行为,请及时联系站长删除,本站将根据实际情况进行积分奖励!请查看:免责声明

快速回复 返回顶部 返回列表