豆豆网

 找回密码
 立即注册

QQ登录

只需一步,快速开始

查看: 3183|回复: 0

一份4层高档别墅电气设计CAD施工图纸

[复制链接]

0

主题

0

帖子

1470

积分

超级版主

Rank: 8Rank: 8

积分
1470
发表于 2020-2-18 13:53:30 | 显示全部楼层 |阅读模式

该帖子包含附件可供参考学习和下载,您可以 搜索 更多您想要的资源


  • 建筑类别:别墅
  • 建筑高度类型:多层建筑
  • 建筑设计结构形式:钢筋混凝土结构
  • 建筑地上层数:4层
  • 图纸设计深度:施工图
  • 参考图纸:14张
  • 设计年代:近代
  • 负荷等级:三级
  • 防雷等级:第三类
  • 火灾保护分级:一级
  • 接地方式:TN-C-S
  • 强电设计: 供配电系统 , 低压配电, 电气照明, 建筑物防雷, 接地安全, 电气控制, 其它

附件详情

  • 1、电气设计说明
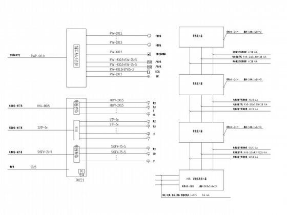
  • 2、照明箱系统图
  • 3、家庭智能配电箱接线图
  • 4、 弱电平面图
  • 5、电力平面图
  • 6、基础接地平面图
  • 7、屋顶 防雷平面图

附件详情

该附件是高档别墅全套电气图纸,总共14张。
设计该资料包含:供配电系统、照明系统、防雷接地及安全、电话、信息网络系统、有线电视系统、对讲系统等的设计。

四层配电平面图

三层弱电系统

接地平面图

智能弱电箱接线图

第 1 张图
第 1 张图
第 2 张图
第 2 张图
第 3 张图
第 3 张图
第 4 张图
第 4 张图
第 5 张图
第 5 张图
以上是部分图纸截图,有些图框没有放大后再截图,可能截图里不清晰或者看不到内容,您可以在下载后查看具体内容

温馨提示:该资料由网友于2020-2-18 13:53:30上传分享,您可以下载该资料进行学习和参考,如有侵权内容或者违法行为,请及时联系站长删除,如有疑问,您可以在别墅建筑专区发帖交流相关知识。

附件2099v11edecec2cfwss1dcddcc.rar

474.48 KB

下载  售价: 100 积分    赚积分

相关帖子

回复

使用道具 举报

您需要登录后才可以回帖 登录 | 立即注册

本版积分规则

QQ|联系我们|豆豆网 ( 苏ICP备20004746号-1 )

GMT+8, 2025-12-30 23:22 , Processed in 0.057293 second(s), 27 queries .

本站所有内容均由网友自主分享,如有侵权内容或者违法行为,请及时联系站长删除,本站将根据实际情况进行积分奖励!请查看:免责声明

快速回复 返回顶部 返回列表