豆豆网

 找回密码
 立即注册

QQ登录

只需一步,快速开始

查看: 1759|回复: 0

住宅小区景观照明工程电气CAD施工图纸(二次控制原理图)

[复制链接]

0

主题

0

帖子

629

积分

超级版主

Rank: 8Rank: 8

积分
629
发表于 2020-2-20 09:18:19 | 显示全部楼层 |阅读模式

该帖子包含附件可供参考学习和下载,您可以 搜索 更多您想要的资源


  • 建筑类别:园林建筑
  • 图纸设计深度:施工图
  • 参考图纸:12张
  • 设计年代:近代
  • 节点大样:线管,电缆
  • 强电设计:低压配电,电气照明,接地安全,电气控制
  • 弱电设计:广播系统

附件详情

  • 1、景观电气总图
  • 2、 电气设计 说明
  • 3、 配电箱系统
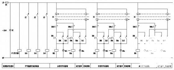
  • 4、景观配电系统二次控制原理图
  • 5、设备大样图
  • 6、景观电气平面图

附件详情

该附件是[广东]住宅小区景观照明工程电气施工图纸,电气设计包含景观配电箱系统设计、照明灯具布置、动力干线设计、景观配电系统二次控制原理图设计、 电气设备 大样图、景观电气平面图等。

住宅小区景观照明 - 1
第 1 张图
住宅小区景观照明 - 2
第 2 张图
住宅小区景观照明 - 3
第 3 张图
住宅小区景观照明 - 4
第 4 张图
以上是部分图纸截图,有些图框没有放大后再截图,可能截图里不清晰或者看不到内容,您可以在下载后查看具体内容

温馨提示:该资料由网友于2020-2-20 09:18:19上传分享,您可以下载该资料进行学习和参考,如有侵权内容或者违法行为,请及时联系站长删除,如有疑问,您可以在电气工程专区发帖交流相关知识。

附件2099v11edeccf0f0dfwsdffd2c.zip

7.77 MB

下载  售价: 100 积分    赚积分

住宅小区景观照明相关帖子

回复

使用道具 举报

您需要登录后才可以回帖 登录 | 立即注册

本版积分规则

QQ|联系我们|豆豆网 ( 苏ICP备20004746号-1 )

GMT+8, 2025-12-22 05:46 , Processed in 0.016701 second(s), 27 queries .

本站所有内容均由网友自主分享,如有侵权内容或者违法行为,请及时联系站长删除,本站将根据实际情况进行积分奖励!请查看:免责声明

快速回复 返回顶部 返回列表