豆豆网

 找回密码
 立即注册

QQ登录

只需一步,快速开始

查看: 764|回复: 0

一份5层框架结构教学楼结构改造加固CAD施工图纸

[复制链接]

0

主题

0

帖子

1112

积分

超级版主

Rank: 8Rank: 8

积分
1112
发表于 2020-2-22 13:30:06 | 显示全部楼层 |阅读模式

该帖子包含附件可供参考学习和下载,您可以 搜索 更多您想要的资源


  • 建筑类别:教育
  • 建筑高度类型:多层建筑
  • 建筑地上层数:5层
  • 图纸设计深度:施工图
  • 民用建筑设计使用年限:50年
  • 建筑设计结构形式:钢筋混凝土结构
  • 钢筋混凝土结构:框架
  • 结构安全等级:二级
  • 地基基础设计等级:甲级
  • 抗震设防烈度:7度抗震
  • 参考图纸:5张

附件详情

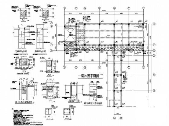
该附件为上海某一教学楼的改造加固图纸,该项目共2个单体,分别为扩建教学楼与扩建连廊,均为1995年建造的,结构类型为框架结构,改造后后续设计使用年限为40年。7度设防。
该资料包含:结构加固设计总说明、基础平面图、加固平面图等共5张图纸。

一层加固平面图

二~四层加固平面图

屋面加固平面图

第 1 张图
第 1 张图
第 2 张图
第 2 张图
第 3 张图
第 3 张图
第 4 张图
第 4 张图
以上是部分图纸截图,有些图框没有放大后再截图,可能截图里不清晰或者看不到内容,您可以在下载后查看具体内容

温馨提示:该资料由网友于2020-2-22 13:30:06上传分享,您可以下载该资料进行学习和参考,如有侵权内容或者违法行为,请及时联系站长删除,如有疑问,您可以在建筑施工专区发帖交流相关知识。

附件2099v11edfcccec2fedc0c2cc2.rar

303.29 KB

下载  售价: 100 积分    赚积分

相关帖子

回复

使用道具 举报

您需要登录后才可以回帖 登录 | 立即注册

本版积分规则

QQ|联系我们|豆豆网 ( 苏ICP备20004746号-1 )

GMT+8, 2025-12-29 00:18 , Processed in 0.015320 second(s), 27 queries .

本站所有内容均由网友自主分享,如有侵权内容或者违法行为,请及时联系站长删除,本站将根据实际情况进行积分奖励!请查看:免责声明

快速回复 返回顶部 返回列表