豆豆网

 找回密码
 立即注册

QQ登录

只需一步,快速开始

查看: 1725|回复: 0

机场熏蒸房工程-结构全套施工图纸cad平面布置图

[复制链接]

0

主题

0

帖子

1374

积分

超级版主

Rank: 8Rank: 8

积分
1374
发表于 2021-10-26 20:58:37 | 显示全部楼层 |阅读模式

该帖子包含附件可供参考学习和下载,您可以 搜索 更多您想要的资源


  • 建筑类别:交通建筑
  • 建筑高度类型:单层建筑
  • 建筑地上层数:1层
  • 图纸设计深度:施工图
  • 民用建筑设计使用年限:50年
  • 建筑设计结构形式:钢筋混凝土结构
  • 钢筋混凝土结构:框架
  • 基础形式 :独立基础
  • 结构安全等级:二级
  • 地基基础设计等级:丙级
  • 抗震设防烈度:7度抗震
  • 风压:0.8kN/平方米
  • 参考图纸:8张
  • 设计年代:近代
该附件为:机场熏蒸房工程-结构全套图纸2020,格式为CAD版本。
一、简介:
该项目位于广东,框架结构,本子项为熏蒸房,地上1层,层高均为3.6m,建筑高度3.9m.
二、目录
结构设计总说明、基础,柱,梁和板配筋图
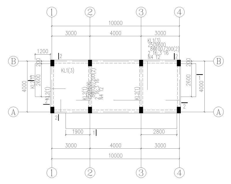
三、相关图片:
基础平面布置图.jpg
一层柱平面布置图.jpg
一层顶梁和顶板配筋图.jpg
基础平面布置图
基础平面布置图
一层柱平面布置图
一层柱平面布置图
一层顶梁和顶板配筋图
一层顶梁和顶板配筋图
以上是部分图纸截图,有些图框没有放大后再截图,可能截图里不清晰或者看不到内容,您可以在下载后查看具体内容

附件2099v11cdfcfcsw00s20cws.zip

2.87 MB

下载  售价: 100 积分    赚积分

相关帖子

回复

使用道具 举报

您需要登录后才可以回帖 登录 | 立即注册

本版积分规则

QQ|联系我们|豆豆网 ( 苏ICP备20004746号-1 )

GMT+8, 2025-12-28 07:56 , Processed in 0.016011 second(s), 28 queries .

本站所有内容均由网友自主分享,如有侵权内容或者违法行为,请及时联系站长删除,本站将根据实际情况进行积分奖励!请查看:免责声明

快速回复 返回顶部 返回列表