豆豆网

 找回密码
 立即注册

QQ登录

只需一步,快速开始

查看: 1602|回复: 0

[CAD]8.4米跨网架结构施工图书馆结构设计施工图纸(独立基础)(平面布置图)

[复制链接]

0

主题

0

帖子

1579

积分

超级版主

Rank: 8Rank: 8

积分
1579
发表于 2020-2-29 22:48:27 | 显示全部楼层 |阅读模式

该帖子包含附件可供参考学习和下载,您可以 搜索 更多您想要的资源


  • 建筑类别:文化
  • 图纸设计深度:施工图
  • 建筑设计结构形式:钢结构
  • 钢结构:网架
  • 基础形式 :独立基础
  • 结构最大跨度:8.4m
  • 抗震设防烈度:7度抗震
  • 风压:0.55kN/平方米
  • 参考图纸:11张
  • 设计年代:近代

附件详情

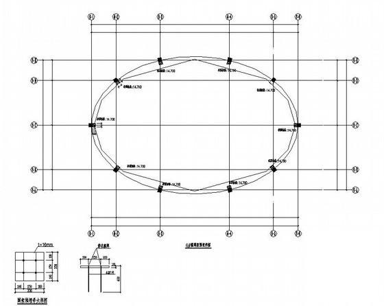
该项目钢网架采用螺栓球节点,形式为正放四角锥网架,下弦柱点支撑。
该资料包含:网架设计与施工说明,网架平面布置图,网架上弦施工图,网架腹杆施工图,网架下弦施工图,网架节点编号及内力图,网架材料表,檩条平面布置图,屋面 平面布置图 ,网架屋面 节点图 ,网架预埋件图等
共11张图纸。

图书馆平面布置图 - 1
第 1 张图
图书馆平面布置图 - 2
第 2 张图
图书馆平面布置图 - 3
第 3 张图
图书馆平面布置图 - 4
第 4 张图
以上是部分图纸截图,有些图框没有放大后再截图,可能截图里不清晰或者看不到内容,您可以在下载后查看具体内容

温馨提示:该资料由网友于2020-2-29 22:48:27上传分享,您可以下载该资料进行学习和参考,如有侵权内容或者违法行为,请及时联系站长删除,如有疑问,您可以在结构设计专区发帖交流相关知识。

附件2099v11edfcccce1101e111s20.rar

606.97 KB

下载  售价: 100 积分    赚积分

图书馆平面布置图相关帖子

回复

使用道具 举报

您需要登录后才可以回帖 登录 | 立即注册

本版积分规则

QQ|联系我们|豆豆网 ( 苏ICP备20004746号-1 )

GMT+8, 2025-12-28 05:47 , Processed in 0.016337 second(s), 27 queries .

本站所有内容均由网友自主分享,如有侵权内容或者违法行为,请及时联系站长删除,本站将根据实际情况进行积分奖励!请查看:免责声明

快速回复 返回顶部 返回列表