豆豆网

 找回密码
 立即注册

QQ登录

只需一步,快速开始

查看: 2619|回复: 0

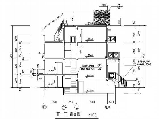
3层四联排别墅建筑施工CAD图纸(南入户)

[复制链接]

0

主题

0

帖子

1094

积分

超级版主

Rank: 8Rank: 8

积分
1094
发表于 2020-1-21 22:20:16 | 显示全部楼层 |阅读模式

该帖子包含附件可供参考学习和下载,您可以 搜索 更多您想要的资源


  • 别墅类别: 联排别墅
  • 建筑高度:多层建筑
  • 图纸设计深度:施工图
  • 项目地址:江苏
  • 图纸设计风格:北美风格
  • 图纸设计流派:新古典
  • 图纸设计格式:天正建筑CAD 7.0,CAD2000
  • 参考图纸:10张
  • 建筑高度:9.1m
  • 地上层数:3层
  • 效果图:无

附件详情

单栋总开间x进深:6x11米

资料包含:总 平面布置图 、设计说明、做法表、各层平面图、立面图、剖面图、楼梯大样、 节点详图


图5

联排别墅平面布置图 - 1
第 1 张图
联排别墅平面布置图 - 2
第 2 张图
联排别墅平面布置图 - 3
第 3 张图
联排别墅平面布置图 - 4
第 4 张图
以上是部分图纸截图,有些图框没有放大后再截图,可能截图里不清晰或者看不到内容,您可以在下载后查看具体内容

温馨提示:该资料由网友于2020-1-21 22:20:16上传分享,您可以下载该资料进行学习和参考,如有侵权内容或者违法行为,请及时联系站长删除,如有疑问,您可以在别墅建筑专区发帖交流相关知识。

附件2099v11ed1dc2e0e0ec002sfcs.rar

649.74 KB

下载  售价: 100 积分    赚积分

联排别墅平面布置图相关帖子

回复

使用道具 举报

您需要登录后才可以回帖 登录 | 立即注册

本版积分规则

QQ|联系我们|豆豆网 ( 苏ICP备20004746号-1 )

GMT+8, 2025-11-17 03:32 , Processed in 0.096216 second(s), 27 queries .

本站所有内容均由网友自主分享,如有侵权内容或者违法行为,请及时联系站长删除,本站将根据实际情况进行积分奖励!请查看:免责声明

快速回复 返回顶部 返回列表