豆豆网

 找回密码
 立即注册

QQ登录

只需一步,快速开始

查看: 5357|回复: 0

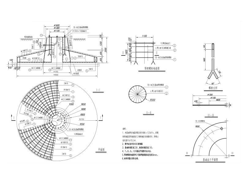
[构造详图]25m高杆灯基础大样CAD图纸(PDF,4张)

[复制链接]

0

主题

0

帖子

1580

积分

超级版主

Rank: 8Rank: 8

积分
1580
发表于 2020-2-8 11:11:48 | 显示全部楼层 |阅读模式

该帖子包含附件可供参考学习和下载,您可以 搜索 更多您想要的资源


圈梁与墙体的连接节点构造详图
共1张图纸。


高杆灯基础 - 1
第 1 张图
高杆灯基础 - 2
第 2 张图
高杆灯基础 - 3
第 3 张图
高杆灯基础 - 4
第 4 张图
以上是部分图纸截图,有些图框没有放大后再截图,可能截图里不清晰或者看不到内容,您可以在下载后查看具体内容

温馨提示:该资料由网友于2020-2-8 11:11:48上传分享,您可以下载该资料进行学习和参考,如有侵权内容或者违法行为,请及时联系站长删除,如有疑问,您可以在综合资料专区发帖交流相关知识。

附件2099v11e21020fdws0cswec.pdf

682.04 KB

下载  售价: 100 积分    赚积分

高杆灯基础相关帖子

回复

使用道具 举报

您需要登录后才可以回帖 登录 | 立即注册

本版积分规则

QQ|联系我们|豆豆网 ( 苏ICP备20004746号-1 )

GMT+8, 2026-1-13 23:56 , Processed in 0.015080 second(s), 27 queries .

本站所有内容均由网友自主分享,如有侵权内容或者违法行为,请及时联系站长删除,本站将根据实际情况进行积分奖励!请查看:免责声明

快速回复 返回顶部 返回列表