豆豆网

 找回密码
 立即注册

QQ登录

只需一步,快速开始

查看: 2677|回复: 0

常用应急照明电源CAD图纸集24张(dwg)

[复制链接]

0

主题

0

帖子

1213

积分

超级版主

Rank: 8Rank: 8

积分
1213
发表于 2020-9-5 09:21:06 | 显示全部楼层 |阅读模式

该帖子包含附件可供参考学习和下载,您可以 搜索 更多您想要的资源


附件详情

  • 单路输入应急照明电源配电方案图
  • 双路输入应急照明电源配电方案图
  • 应急照明控制分机方案图
  • 常用备用照明配电箱与应急照明电源联接图
  • 灯具接线方式
  • 消防联动控制方式
  • 高层住宅常用区域集中应急 设计方案(一)
  • 高层住宅常用区域集中应急照明系统设计方案(二)
  • 高层住宅常用区域集中应急照明系统设计方案(三)
  • 写字楼常用区域集中应急照明系统设计方案(一)
  • 写字楼常用区域集中应急照明系统设计方案(二)
  • 写字楼常用区域集中应急照明系统设计方案(三)
  • 写字楼常用区域集中应急照明系统设计方案(四)
  • 常用商场区域集中应急照明系统设计方案(一)
  • 常用商场区域集中应急照明系统设计方案(二)
  • 影剧院带有调光系统的区域集中应急照明设计方案
  • 带有楼宇(照明)系统控制的区域集中应急照明设计方案
  • 应急照明电源规格型号

附件详情

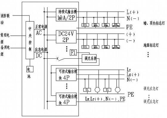
本稿件为常用应急照明电源图集24张。资料共24张图纸,主要内容为单路输入应急照明电源配电方案图、应急照明控制分机方案图、常用备用照明配电箱与应急照明电源联接图、灯具接线方式、高层住宅常用区域集中应急照明系统设计方案、写字楼常用区域集中应急照明系统设计方案、常用商场区域集中应急照明系统设计方案、应急照明电源规格型号等、

2

应急照明电源 - 1
第 1 张图
应急照明电源 - 2
第 2 张图
应急照明电源 - 3
第 3 张图
以上是部分图纸截图,有些图框没有放大后再截图,可能截图里不清晰或者看不到内容,您可以在下载后查看具体内容

温馨提示:该资料由网友于2020-9-5 09:21:06上传分享,您可以下载该资料进行学习和参考,如有侵权内容或者违法行为,请及时联系站长删除,如有疑问,您可以在方案设计专区发帖交流相关知识。

附件2099v11ecwscccscwfcescc.rar

299.9 KB

下载  售价: 100 积分    赚积分

回复

使用道具 举报

您需要登录后才可以回帖 登录 | 立即注册

本版积分规则

QQ|联系我们|豆豆网 ( 苏ICP备20004746号-1 )

GMT+8, 2025-12-23 02:33 , Processed in 0.019249 second(s), 27 queries .

本站所有内容均由网友自主分享,如有侵权内容或者违法行为,请及时联系站长删除,本站将根据实际情况进行积分奖励!请查看:免责声明

快速回复 返回顶部 返回列表