豆豆网

 找回密码
 立即注册

QQ登录

只需一步,快速开始

查看: 2466|回复: 0

一份8层知名公寓楼强电系统CAD施工图纸62张(电气设计说明)

[复制链接]

0

主题

0

帖子

1383

积分

超级版主

Rank: 8Rank: 8

积分
1383
发表于 2020-2-16 21:44:23 | 显示全部楼层 |阅读模式

该帖子包含附件可供参考学习和下载,您可以 搜索 更多您想要的资源


  • 建筑类别:住宅,文化,其他
  • 建筑高度类型:高层建筑
  • 建筑设计结构形式:钢筋混凝土结构
  • 建筑设计面积:2500平方米
  • 建筑地上层数:8层
  • 图纸设计深度:施工图
  • 参考图纸:62张
  • 设计年代:近代
  • 负荷等级:二级
  • 防雷等级:第三类
  • 接地方式:TN-S
  • 项目所在地:福建
  • 强电设计:电气照明,建筑物防雷,接地安全,其它

附件详情

  • 1、 电气设计 说明
  • 2、强电施工设计说明及图例
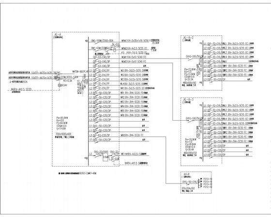
  • 3、配电系统图
  • 4、 照明平面图
  • 5、插座平面图

附件详情

该附件是[厦门]知名寄宿楼强电系统施工图纸,总共62张。
项目概要:建筑面面积约2500平方米,各户型均为地上共三层,主要为接待厅、客房、厨房、餐厅等。该项目为剪力墙结构,条形基础。建筑耐火等级为二级。
设计范围:强电设计包括:低压配电系统; 照明系统 ;建筑防雷、接地及安全措施。
......
,共62张。

专家公寓A户型二层插座平面图

专家公寓F户型一层插座平面图

强电施工设计说明及图例

强电施工设计说明及图例

第 1 张图
第 1 张图
第 2 张图
第 2 张图
第 3 张图
第 3 张图
第 4 张图
第 4 张图
第 5 张图
第 5 张图
以上是部分图纸截图,有些图框没有放大后再截图,可能截图里不清晰或者看不到内容,您可以在下载后查看具体内容

温馨提示:该资料由网友于2020-2-16 21:44:23上传分享,您可以下载该资料进行学习和参考,如有侵权内容或者违法行为,请及时联系站长删除,如有疑问,您可以在电气工程专区发帖交流相关知识。

附件2099v11edecdeesdwc2cfs20d2.rar

8.93 MB

下载  售价: 100 积分    赚积分

相关帖子

回复

使用道具 举报

您需要登录后才可以回帖 登录 | 立即注册

本版积分规则

QQ|联系我们|豆豆网 ( 苏ICP备20004746号-1 )

GMT+8, 2025-11-27 20:50 , Processed in 0.016405 second(s), 27 queries .

本站所有内容均由网友自主分享,如有侵权内容或者违法行为,请及时联系站长删除,本站将根据实际情况进行积分奖励!请查看:免责声明

快速回复 返回顶部 返回列表