| 
 该帖子包含附件可供参考学习和下载,您可以 搜索 更多您想要的资源   
 
  - 
   附件设计说明:有
  
 
  - 
   建筑类别:住宅
  
 
  - 
   建筑高度类型:高层建筑
  
 
  - 
   建筑设计结构形式:其他结构
  
 
  - 
   建筑设计面积:18000平方米
  
 
  - 
   建筑地上层数:16层
  
 
  - 
   建筑地下层数:1层
  
 
  - 
   图纸设计深度:施工图
  
 
  - 
   参考图纸:43张
  
 
  - 
   设计年代:近代
  
 
  - 
   地下室用途:车库,设备用房
  
 
  - 
   生活供水设计:生活给水系统
  
 
  - 
   排水设计:污水系统,废水系统,雨水系统
  
 
  - 
   消防设计:室外消火栓系统,室内消火栓系统,喷淋系统
  
 
  - 
   供水方式:市政供水,变频供水,分区供水,高位水箱供水
  
 
  - 
   供水分区:三区
  
 
  - 
   排水体制:污废合流,雨污分流
  
 
  - 
   排水技术:重力排水
  
 
  - 
   火灾危险等级:轻危险级
  
 
  - 
   消火栓用水量室外(L/S):15
  
 
  - 
   消火栓用水量室内(L/S):10
  
 
  - 
   大样节点:厨房,卫生间
  
 
  - 
   热水供应方式:集中热水供应
  
 
  - 
   项目所在地:安徽
  
 
  
 
  
   附件详情
   
  
   - 
    地下室给排水、消防平面图
   
 
   - 
    一层给排水、消防平面图
   
 
   - 
    二层给排水、消防平面图
   
 
   - 
    三层给排水、消防平面图
   
 
   - 
    四层给排水、消防平面图
   
 
   - 
    五~十四层给排水、消防平面图
   
 
   - 
    十五层给排水、消防平面图
   
 
   - 
    十六层给排水、消防平面图
   
 
   - 
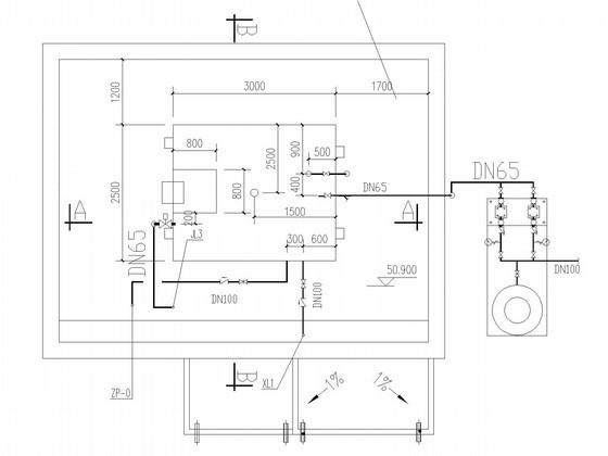
    机房层给排水、消防平面图
   
 
   - 
    屋顶层给排水、消防平面图
   
 
   - 
    厨卫给排水大样图
   
 
   - 
    厨卫热水给水系统图
   
 
   - 
    生活给水原理图
   
 
   - 
    消火栓给水原理图
   
 
   - 
    污废水排水系统图
   
 
   - 
    污废水排水系统图
   
 
   - 
    雨水及空调冷凝水排水系统图
   
 
   
  
 
  
   附件详情
   
  
   该项目位于安徽,是一农民安置小区项目,共包含1#2#3#三栋建筑,总建筑面积18000平米,建筑总高度为46.7米;建筑物等级为:二级;建筑层数为16层,建筑结构体系为:剪力墙结构。
    
   设计范围:该项目设计内容包括:给水系统、排水系统、
   
    消防系统
   
   。
    
   ,共计43张图纸;
    
    
   
  
   
  
   
    机房层给排水、消防平面图
    
   
    消防水箱平面大样图
    
   
    给水及污废水系统图
    
   
    雨水及空调冷凝水排水系统
    
   
    厨卫冷水给水系统图.jpg
    
   
  
 
第 1 张图   
第 2 张图   
第 3 张图   
第 4 张图   
第 5 张图   
第 6 张图   以上是部分图纸截图,有些图框没有放大后再截图,可能截图里不清晰或者看不到内容,您可以在下载后查看具体内容 
 
 温馨提示:该资料由网友于2020-2-16 22:41:25上传分享,您可以下载该资料进行学习和参考,如有侵权内容或者违法行为,请及时联系站长删除,如有疑问,您可以在给水排水专区发帖交流相关知识。
 
	
 |