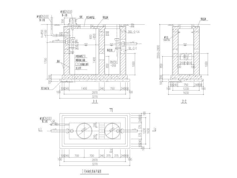
大隆湾化粪池设计施工CAD大样图
- 发布时间:2021-05-13
- 评论次数:0
- 浏览次数:0
- 文件大小:0.34 MB
- 收藏次数:0
-
文件名称:
附件-996076779667905657.dwg
化粪池设计施工下载
- 知名企业高隆湾大区景观深化方案.pdf,平面图
- 化粪池施工图纸.
- [CAD]湾跨海大桥50 80 50大跨度现浇梁设计图纸.dwg
- 大目湾海滨新城总体规划设计方案文本,平面图
- 大湾区总部及研发中心建筑设计投标.pdf
- 钢结构化粪池施工CAD大样图(轻钢结构,共11张)
- 桥梓湾商城会所仿古建筑设计施工CAD大样图
- 粤港澳大湾区城市详细规划国际投标.pdf,平面图
- 新古典国际湾区大宅建筑方案规划.pdf,平面图
- 一份常用砖砌化粪池CAD大样图纸
- 一份化粪池大样图纸(CAD平面图)
- 一份化粪池详细设计CAD图纸
- 一份化粪池节点详细设计CAD图纸
- 一份化粪池节点详细设计CAD图纸
- 知名企业住宅化粪池CAD详图纸设计
- 粤港澳大湾区国际科创城概念规划设计2019.pdf,平面图
- 粤港澳大湾区科学城-城市规划设计.pdf,平面图
- 粤港澳大湾区国际科创城市景观设计.pdf,平面图
- 湾芯之境+森境间住宅A3大区景观设计方案.pdf
- 恒隆广场项目临时用电施工组织设计.doc,平面图
全部评论
评论网友评论仅友表达个人看法,并不表明本站同意其观点,不得发布违反法律法规的内容!
