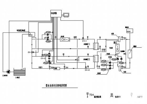
常规式和冰蓄冷制冷系统CAD施工图纸
- 发布时间:2021-05-14
- 评论次数:0
- 浏览次数:0
- 文件大小:0.27 MB
- 收藏次数:0
- 
								文件名称: 附件-995789508805859975.rar 附件-995789508805859975.rar
								冰蓄冷系统下载
							
						- 常规式和冰蓄冷制冷系统设计CAD施工图纸,共6张.dwg
- 冰蓄冷原理方案设计CAD图纸(冰蓄冷机房)(dwg)
- 酒店冰蓄冷机房设计CAD图纸(dwg)
- 源热泵+冰蓄冷+吸附式空调系统设计CAD施工图纸
- 地源热泵 冰蓄冷系统 吸附式空调系统设计CAD图纸
- 冰蓄冷空调系统的特点缺点PPT格式
- 冰蓄冷中央空调系统PPT格式
- 冰蓄冷系统介绍(PPT+33P)
- 亚洲最大冰蓄冷详图,平面图
- 冰蓄冷空调系统设计PPT课件67页
- 冰蓄冷空调技术基础知识详解.doc
- 冰蓄冷负荷预测优化控制系统.pdf
- 冰蓄冷空调系统分类和工作流程及设备选型
- 酒店冰蓄冷机房设计CAD施工图纸(总共7张图纸).dwg
- 41层商业中心冰蓄冷系统设计CAD施工图纸
- 一万多平冷库冰蓄冷设计CAD施工图纸.dwg
- 游乐场冰蓄冷空调竣工CAD施工图纸
- 艺术中心冰蓄冷机房设计施工CAD图纸
- 6000平米冰蓄冷空调机房工程系统设计施工CAD图纸
- 写字楼冰蓄冷中央空调工程施工CAD图纸
全部评论
						
							评论网友评论仅友表达个人看法,并不表明本站同意其观点,不得发布违反法律法规的内容!
						
						
 
	              	 
	              	 
	              	