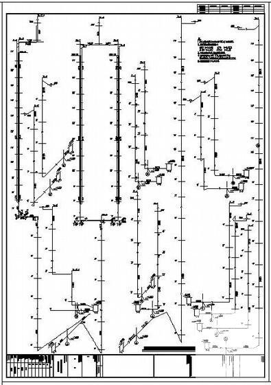
33365平米18层商厦给排水施工CAD大样图
- 发布时间:2021-04-28
- 评论次数:0
- 浏览次数:0
- 文件大小:2.68 MB
- 收藏次数:0
-
文件名称:
附件-995860550089760086705.rar
给排水大样图下载
- 17层大型商厦给排水CAD施工方案图纸
- 高层商厦玻璃带铝塑板幕墙施工方案大样图CAD
- 商厦给排水设计图纸(室外消火栓用水量).
- [CAD]市45000平米地上9层商厦成套给排水图纸.dwg
- [CAD]上9层商厦给排水全套图纸(设计说明).dwg
- 某商厦通风空调施工方案.pdf
- 商厦工程内支撑拆除施工方案.doc
- 商厦地下室基础加固设计CAD施工大样图(锚杆静压桩加固)
- 商厦照明平面CAD图纸(低压电缆敷设)(dwg)
- 商厦总平面及各层平面CAD图纸
- 现代风格电商厦建筑设计文本.pdf
- [卫生间]东方商厦住宅建筑CAD施工图纸
- 东北18层知名综合商厦电气CAD施工图纸
- 8层商厦电气CAD施工图纸(防雷接地系统)
- 4层商厦强电CAD施工图纸(高低压变配电所)
- 8层框架结构商厦结构施工方案图纸(dwg格式CAD,25张)
- 4767平米7层商厦采暖设计CAD施工图纸(dwg)
- 框架商厦结构设计计算书(施工组织设计).doc
- 综合商厦强电CAD施工图纸(变配电室接地).dwg
- 4层商厦强电设计CAD施工图纸(高低压变配电系统).dwg
全部评论
评论网友评论仅友表达个人看法,并不表明本站同意其观点,不得发布违反法律法规的内容!
