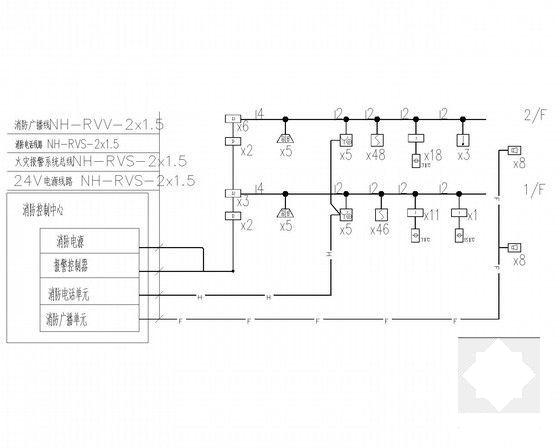
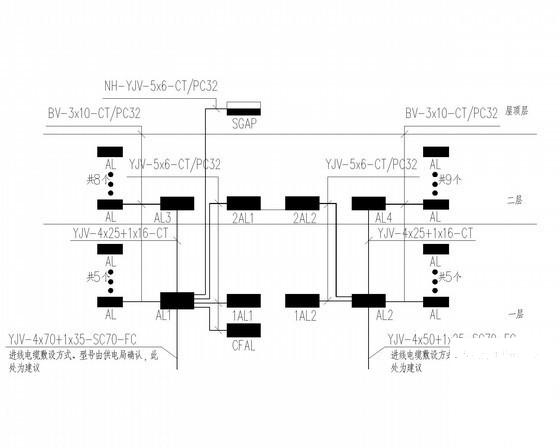
2336平米2层养老院强弱电施工CAD图纸
- 发布时间:2021-04-29
- 评论次数:0
- 浏览次数:0
- 文件大小:2.18 MB
- 收藏次数:0
-
文件名称:
附件-995855887877777589789.rar
养老院弱电下载
- 2层养老院强弱电施工CAD图纸
- 2层养老院建筑施工CAD图纸.dwg
- 某养老院电气施工图纸2020
- 一份12层养老院建筑施工CAD图纸(总平面图)
- 养老院2层宿舍楼电气设计CAD施工图纸
- 7层养老院地板辐射采暖CAD施工图纸(dwg)
- 3层养老院全套建筑施工CAD图纸.dwg
- 1500平米7层养老院地板辐射采暖CAD施工图纸
- 养老院及农贸市场施工图纸及清单cad
- 某养老院污水处理施工图纸2020
- 养老院二期景观方案(现代风格)
- 医养结合养老院设计浅析(PDF)
- 养老院智慧信息化建设方案.pdf
- 榕江养老院方案文本-东南大学
- Zonnehuis养老院花园景观案例实景图
- 医院、养老院智能系统方案PPT
- 养老院安全智能管理系统设计.doc
- 养老院智能化设计方案
- [CAD]两层养老院电气图纸(三级负荷)(综合布线系统)
- 一套养老院给排水设计dwg格式CAD图纸(热熔连接)
全部评论
评论网友评论仅友表达个人看法,并不表明本站同意其观点,不得发布违反法律法规的内容!
