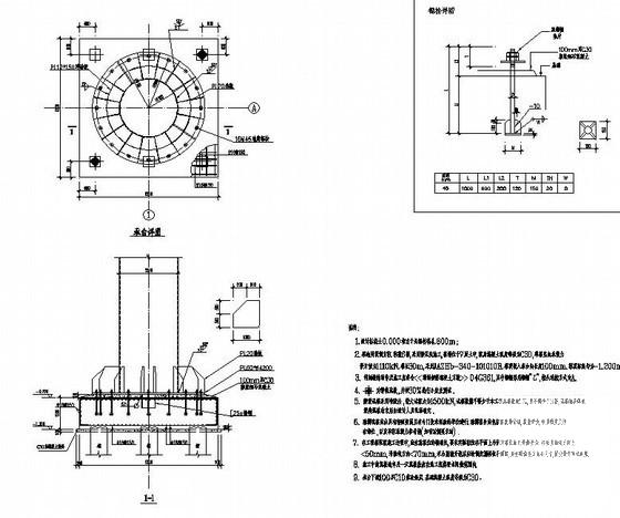
广告牌结构设计CAD施工图纸及计算书(电算)
- 发布时间:2021-05-05
- 评论次数:0
- 浏览次数:0
- 文件大小:0.71 MB
- 收藏次数:0
- 
								文件名称: 附件-995878899855596798570.rar 附件-995878899855596798570.rar
								广告牌结构计算书下载
							
						- 钢结构广告牌结构设计施工CAD图纸(计算书)
- 18层公寓楼结构设计计算书(本科含电算).doc
- 钢结构广告牌结构设计CAD施工图纸(计算书)(dwg)(桩基础)
- 一份多层旅馆毕业设计方案CAD施工图纸(PKPM电算计算书)
- [CAD]4层框架结构设计计算书及施工图纸.dwg
- 售楼部及广告牌结构设计CAD施工图纸(dwg)
- 工程广告牌施工方案含计算书.doc
- 广场LED广告牌结构设计CAD图纸(led广告牌).dwg
- 一份6层框架结构商住楼结构CAD施工图纸(建筑图纸附电算计算书)
- 一份6层框架结构商住楼结构CAD施工图纸(建筑图纸附电算计算书)
- 5层图纸书馆结构设计计算书.
- 一份36X10大幅钢结构落地广告牌CAD施工图纸及计算书
- 36X10大幅钢结构落地广告牌CAD施工图纸及计算书
- 钢结构连廊结构设计CAD图纸(电算文件).dwg
- 一份高层商住楼毕业设计方案CAD施工图纸(电算计算书)(框架剪力墙结构)
- 办公楼结构设计计算书及施工组织设计.doc
- 新华书店图纸书结构设计计算书.
- 一份5层独立基础框架综合楼结构CAD施工图纸(电算书)
- 5层框架综合楼结构CAD施工图纸(电算书)(dwg)(7度抗震)(乙级独立基础)
- 科研综合楼毕业设计方案图纸(PKPM电算书)(梁平法CAD施工图)(dwg)
全部评论
						
							评论网友评论仅友表达个人看法,并不表明本站同意其观点,不得发布违反法律法规的内容!
						
						
 
	              	 
	              	 
	              	