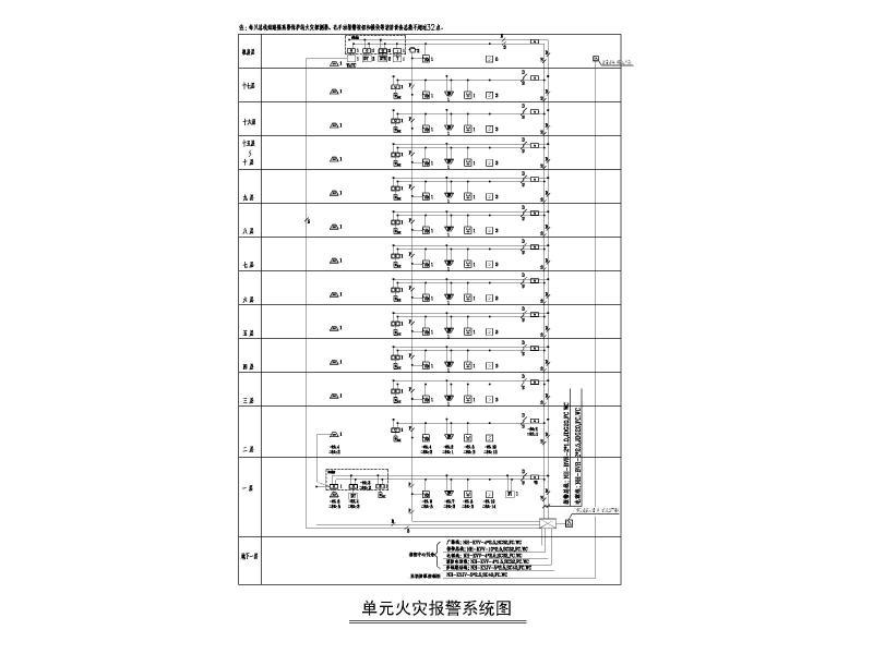
框剪结构高层住宅楼电气施工CAD图纸
- 发布时间:2021-05-11
- 评论次数:0
- 浏览次数:0
- 文件大小:2.19 MB
- 收藏次数:0
-
文件名称:
附件-996979959055799986.dwg
住宅电气施工图纸下载
- 28层框剪结构高层住宅楼项目结构CAD施工图纸
- 高层框剪结构住宅楼地下车库工程结构CAD施工图纸
- 经典框剪结构小高层住宅楼结构CAD施工图纸
- 框剪结构19层高层住宅楼结构CAD施工图纸
- 高层框剪结构住宅楼结构设计CAD施工图纸.dwg
- 高层框剪结构住宅楼结构设计CAD施工图纸.dwg
- 高层框剪结构住宅楼结构设计CAD施工图纸
- 23层框剪结构高层住宅楼结构施工CAD图纸
- 32层框剪结构住宅楼电气CAD施工图纸
- 6层住宅楼建筑电气施工CAD图纸(框剪结构).dwg
- 23层框剪结构住宅楼电气施工CAD图纸(2020)
- 框剪结构都市华庭高层住宅楼建筑施工CAD图纸
- 框剪结构高层住宅楼CAD施工图纸(dwg)
- 高层框剪结构全套CAD施工图纸(dwg)
- 高层框剪结构大剧院建筑施工CAD图纸
- [cad节点详图纸]高层框剪住宅楼结构设计说明
- 框剪小高层结构CAD图纸(dwg)(独立基础)
- 框剪小高层结构CAD图纸(dwg)
- 雅园高层框剪结构CAD图纸(dwg)
- 框剪结构高层住宅楼临时用电施工方案.pdf
全部评论
评论网友评论仅友表达个人看法,并不表明本站同意其观点,不得发布违反法律法规的内容!
