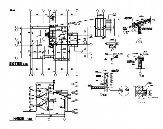
3层西班牙风格别墅建筑施工CAD图纸
- 发布时间:2021-05-12
- 评论次数:0
- 浏览次数:0
- 文件大小:1.31 MB
- 收藏次数:0
-
文件名称:
附件-996976056870596777.rar
西班牙风格别墅下载
- 西班牙风格2层别墅建筑施工CAD图纸
- 3层西班牙风格别墅建筑施工CAD图纸
- 3层西班牙风格双拼别墅建筑施工CAD图纸
- 3层西班牙风格双拼别墅建筑施工CAD图纸
- 西班牙托斯卡纳风格别墅效果
- 3层西班牙风格双拼别墅建筑设计施工CAD图纸(知名设计院)
- 3层325平西班牙风格联排别墅建筑设计施工CAD图纸
- 3层西班牙风格别墅建筑施工CAD图纸(有架空层)
- 3层西班牙风格联排别墅建筑施工CAD图纸
- 3层西班牙风格联排别墅建筑施工CAD图纸
- 3层西班牙式别墅建筑施工CAD图纸
- 3层西班牙风格独栋别墅建筑扩初CAD图纸(342平方米)
- 3层西班牙风格双拼别墅建筑方案设计CAD初设图纸
- 西班牙风格3层联排别墅住宅楼建筑施工CAD图纸(效果图纸、砌体结构)
- 西班牙风格节能型2层别墅建筑施工套CAD图纸(带节能设计及总CAD图纸)
- 一份3层西班牙风格私人别墅建筑设计方案
- 西班牙建筑风格别墅住宅小区立面改造方案文本,平面图
- [建筑面积]湖别墅区2层西班牙式独栋别墅建筑施工CAD图纸(欧陆风格)
- 2层西班牙式高级别墅建筑施工CAD图纸(建筑节能模型)
- 2层西班牙式独栋别墅建筑施工CAD图纸(建筑节能模型)
全部评论
评论网友评论仅友表达个人看法,并不表明本站同意其观点,不得发布违反法律法规的内容!
