豆豆网

 找回密码
 立即注册

QQ登录

只需一步,快速开始

查看: 2910|回复: 0

一份6层小型商务办公楼电气设计CAD施工图纸(变配电系统)

[复制链接]

0

主题

0

帖子

1390

积分

超级版主

Rank: 8Rank: 8

积分
1390
发表于 2020-2-18 11:38:34 | 显示全部楼层 |阅读模式

该帖子包含附件可供参考学习和下载,您可以 搜索 更多您想要的资源


  • 建筑类别:办公
  • 建筑高度类型:高层建筑
  • 图纸设计深度:施工图
  • 参考图纸:38张
  • 设计年代:近代
  • 负荷等级:二级
  • 强电设计: 供配电系统 ,配变电所,低压配电,电气照明,建筑物防雷,接地安全
  • 弱电设计: 火灾自动报警系统 ,视频监控系统,出入口控制系统,建筑设备监控系统,综合布线系统,通信系统,有线电视和卫星接收系统,信息网络系统,公共信息显示系统

附件详情

  • 1、电气总平面图
  • 2、10KV高压配电系统图
  • 3、变配电间低压配电竖干系统图
  • 4、变压器低压配电系统图
  • 5、配电箱系统图
  • 6、电气平面图
  • 7、综合布线系统
  • 8、电视监控系统
  • 9、防盗报警系统图
  • 10、有线电视系统图
  • 11、火灾自动报警及消防联动系统图
  • 12、楼宇设备自控系统图
  • 13、信息发布系统示意图
  • 14、车库管理与车位引导系统图
  • 15、 弱电平面图

附件详情

该附件是六层小型商务办公楼电气施工图纸,总共38张,含计算书。
电气设计包含10KV高压配电系统设计;照明灯具布置;插座动力系统设计;防雷接地系统设计;综合布线系统;电视监控系统;防盗报警系统图;有线电视系统图;火灾自动报警及消防联动系统图;楼宇设备自控系统图;信息发布系统示意图;车库管理与车位引导系统设计等。

10KV高压配电系统图

T5变压器低压配电系统图

电气平面图

排水系统监察控制原理图

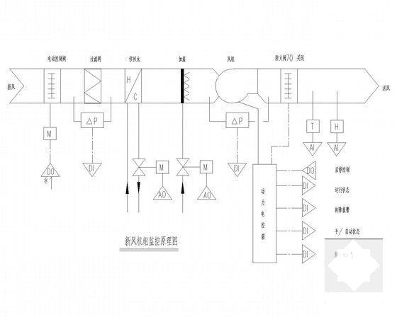
新风机组控制原理图

T6变压器低压配电系统图(一)

商务办公楼电气 - 1
第 1 张图
商务办公楼电气 - 2
第 2 张图
商务办公楼电气 - 3
第 3 张图
商务办公楼电气 - 4
第 4 张图
商务办公楼电气 - 5
第 5 张图
商务办公楼电气 - 6
第 6 张图
以上是部分图纸截图,有些图框没有放大后再截图,可能截图里不清晰或者看不到内容,您可以在下载后查看具体内容

温馨提示:该资料由网友于2020-2-18 11:38:34上传分享,您可以下载该资料进行学习和参考,如有侵权内容或者违法行为,请及时联系站长删除,如有疑问,您可以在商业建筑专区发帖交流相关知识。

附件2099v11edece1cscdcfffe0cf0.rar

5.55 MB

下载  售价: 100 积分    赚积分

商务办公楼电气相关帖子

回复

使用道具 举报

您需要登录后才可以回帖 登录 | 立即注册

本版积分规则

QQ|联系我们|豆豆网 ( 苏ICP备20004746号-1 )

GMT+8, 2025-12-23 22:08 , Processed in 0.015399 second(s), 27 queries .

本站所有内容均由网友自主分享,如有侵权内容或者违法行为,请及时联系站长删除,本站将根据实际情况进行积分奖励!请查看:免责声明

快速回复 返回顶部 返回列表