豆豆网

 找回密码
 立即注册

QQ登录

只需一步,快速开始

查看: 2372|回复: 0

一份7层办公楼电气设计CAD施工图纸

[复制链接]

0

主题

0

帖子

1075

积分

超级版主

Rank: 8Rank: 8

积分
1075
发表于 2020-2-18 20:19:36 | 显示全部楼层 |阅读模式

该帖子包含附件可供参考学习和下载,您可以 搜索 更多您想要的资源


  • 建筑类别:办公
  • 建筑高度类型:多层建筑
  • 建筑地上层数:7层
  • 图纸设计深度:施工图
  • 参考图纸:11张
  • 负荷等级:二级
  • 防雷等级:第三类
  • 接地方式:TN-S
  • 强电设计:应急电源,低压配电,电气照明,建筑物防雷,接地安全
  • 弱电设计: 火灾自动报警系统 ,通信系统,广播系统,信息网络系统

附件详情

  • 1、电气设计说明
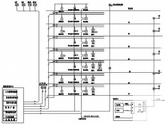
  • 2、 配电箱系统
  • 3、弱电系统图
  • 4、照明电气平面图
  • 5、弱电消防平面图
  • 6、 防雷接地 平面图

附件详情

该附件是某七层办公楼全套电气施工图纸,电气设计包含配电系统设计、照明灯具布置、插座动力系统设计、电话系统、宽带网络系统、消防报警系统设计、防雷接地系统设计等。

第 1 张图
第 1 张图
第 2 张图
第 2 张图
第 3 张图
第 3 张图
第 4 张图
第 4 张图
以上是部分图纸截图,有些图框没有放大后再截图,可能截图里不清晰或者看不到内容,您可以在下载后查看具体内容

温馨提示:该资料由网友于2020-2-18 20:19:36上传分享,您可以下载该资料进行学习和参考,如有侵权内容或者违法行为,请及时联系站长删除,如有疑问,您可以在电气工程专区发帖交流相关知识。

附件2099v11edeccdcff02cecfccf1.zip

912.6 KB

下载  售价: 100 积分    赚积分

相关帖子

回复

使用道具 举报

您需要登录后才可以回帖 登录 | 立即注册

本版积分规则

QQ|联系我们|豆豆网 ( 苏ICP备20004746号-1 )

GMT+8, 2025-12-28 06:23 , Processed in 0.015310 second(s), 28 queries .

本站所有内容均由网友自主分享,如有侵权内容或者违法行为,请及时联系站长删除,本站将根据实际情况进行积分奖励!请查看:免责声明

快速回复 返回顶部 返回列表