豆豆网

 找回密码
 立即注册

QQ登录

只需一步,快速开始

查看: 2084|回复: 0

一份3层幼儿园给排水CAD施工图纸(甲级设计院)

[复制链接]

0

主题

0

帖子

960

积分

超级版主

Rank: 8Rank: 8

积分
960
发表于 2020-2-19 11:04:12 | 显示全部楼层 |阅读模式

该帖子包含附件可供参考学习和下载,您可以 搜索 更多您想要的资源


  • 附件设计说明:有
  • 建筑类别:教育
  • 建筑高度类型:多层建筑
  • 建筑设计结构形式:钢筋混凝土结构
  • 建筑地上层数:3层
  • 图纸设计深度:施工图
  • 参考图纸:9张
  • 设计年代:近代
  • 生活供水设计:生活给水系统
  • 消防设计:室外消火栓系统,室内消火栓系统
  • 排水体制:雨污分流
  • 消火栓用水量室外(L/S):25
  • 消火栓用水量室内(L/S):15
  • 大样节点:卫生间
  • 项目所在地:江西

附件详情

  • 给排水设计说明
  • 给排水平面图
  • 卫生间大样图
  • 排水展开图
  • 给水展开图
  • 消火栓展开图

附件详情

该项目设计范围包括室内外给水系统、室内外无废水系统,室内外雨水系统。
,共9张。

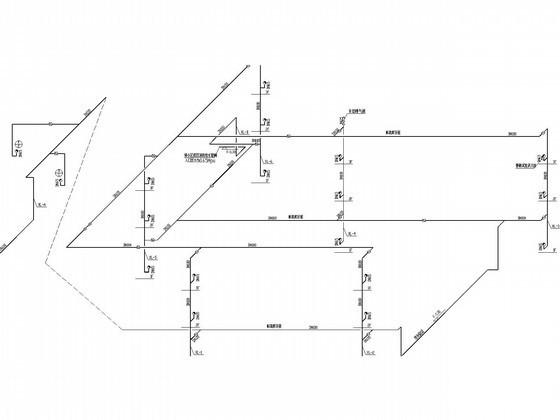
给水展开图

卫生间系统大样图

消火栓系统展开图

第 1 张图
第 1 张图
第 2 张图
第 2 张图
第 3 张图
第 3 张图
第 4 张图
第 4 张图
以上是部分图纸截图,有些图框没有放大后再截图,可能截图里不清晰或者看不到内容,您可以在下载后查看具体内容

温馨提示:该资料由网友于2020-2-19 11:04:12上传分享,您可以下载该资料进行学习和参考,如有侵权内容或者违法行为,请及时联系站长删除,如有疑问,您可以在给水排水专区发帖交流相关知识。

附件2099v11edewwd10fcc0sddsc22.rar

628.59 KB

下载  售价: 100 积分    赚积分

相关帖子

回复

使用道具 举报

您需要登录后才可以回帖 登录 | 立即注册

本版积分规则

QQ|联系我们|豆豆网 ( 苏ICP备20004746号-1 )

GMT+8, 2025-11-3 18:37 , Processed in 0.016270 second(s), 27 queries .

本站所有内容均由网友自主分享,如有侵权内容或者违法行为,请及时联系站长删除,本站将根据实际情况进行积分奖励!请查看:免责声明

快速回复 返回顶部 返回列表