豆豆网

 找回密码
 立即注册

QQ登录

只需一步,快速开始

查看: 1912|回复: 0

6层住宅楼电气设计CAD施工图纸

[复制链接]

0

主题

0

帖子

1388

积分

超级版主

Rank: 8Rank: 8

积分
1388
发表于 2020-2-19 13:14:34 | 显示全部楼层 |阅读模式

该帖子包含附件可供参考学习和下载,您可以 搜索 更多您想要的资源


  • 建筑类别:住宅
  • 建筑高度类型:多层建筑
  • 建筑设计结构形式:钢筋混凝土结构
  • 建筑设计面积:947平方米
  • 建筑地上层数:6层
  • 图纸设计深度:施工图
  • 参考图纸:9张
  • 设计年代:近代
  • 负荷等级:三级
  • 防雷等级:第三类
  • 接地方式:TN-C-S
  • 强电设计:低压配电,电气照明,建筑物防雷,接地安全
  • 弱电设计:出入口控制系统,通信系统,有线电视和卫星接收系统,信息网络系统

附件详情

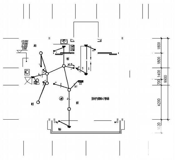
  • 1、强电、弱电干线系统图
  • 2、电气平面图
  • 3、 配电箱系统
  • 4、 弱电平面图
  • 5、屋面 防雷平面图

附件详情

该项目为六层安置楼,一至六层为住宅,总建筑面积为947M2,建筑总高度为18.6M,属于多层居住建筑,用电负荷等级为三级。

图2

第 1 张图
第 1 张图
第 2 张图
第 2 张图
第 3 张图
第 3 张图
第 4 张图
第 4 张图
以上是部分图纸截图,有些图框没有放大后再截图,可能截图里不清晰或者看不到内容,您可以在下载后查看具体内容

温馨提示:该资料由网友于2020-2-19 13:14:34上传分享,您可以下载该资料进行学习和参考,如有侵权内容或者违法行为,请及时联系站长删除,如有疑问,您可以在电气工程专区发帖交流相关知识。

附件2099v11edeccfc0s10effd0sc2.zip

1.15 MB

下载  售价: 100 积分    赚积分

相关帖子

回复

使用道具 举报

您需要登录后才可以回帖 登录 | 立即注册

本版积分规则

QQ|联系我们|豆豆网 ( 苏ICP备20004746号-1 )

GMT+8, 2025-11-26 02:52 , Processed in 0.015301 second(s), 27 queries .

本站所有内容均由网友自主分享,如有侵权内容或者违法行为,请及时联系站长删除,本站将根据实际情况进行积分奖励!请查看:免责声明

快速回复 返回顶部 返回列表