豆豆网

 找回密码
 立即注册

QQ登录

只需一步,快速开始

查看: 2703|回复: 0

[卫生间详图]框架结构12层办公楼(商住两用)建筑施工CAD图纸

[复制链接]

0

主题

0

帖子

1096

积分

超级版主

Rank: 8Rank: 8

积分
1096
发表于 2020-1-24 20:00:57 | 显示全部楼层 |阅读模式

该帖子包含附件可供参考学习和下载,您可以 搜索 更多您想要的资源


附件详情

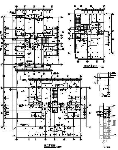
该资料为深圳市宝安区某十二层办公楼 建筑施工
工程建筑面积约为:11570平方米、建筑设计结构形式为:框架结构、层数为: 12层、高度为: 47.7米
这份参考资料包括资料目录、图纸说明、工程作法、门窗表、各层建筑平面、立面、剖面图、卫生间详图、楼梯间详图、墙身大样、檐口作法等,共17张图纸
设计功能包括:商铺、客厅、厨房、卧室等。

商住办公楼 - 1
第 1 张图
商住办公楼 - 2
第 2 张图
商住办公楼 - 3
第 3 张图
商住办公楼 - 4
第 4 张图
以上是部分图纸截图,有些图框没有放大后再截图,可能截图里不清晰或者看不到内容,您可以在下载后查看具体内容

温馨提示:该资料由网友于2020-1-24 20:00:57上传分享,您可以下载该资料进行学习和参考,如有侵权内容或者违法行为,请及时联系站长删除,如有疑问,您可以在商业建筑专区发帖交流相关知识。

附件2099v11ed1wse1cdec110f2f0e.rar

1.48 MB

下载  售价: 100 积分    赚积分

商住办公楼相关帖子

回复

使用道具 举报

您需要登录后才可以回帖 登录 | 立即注册

本版积分规则

QQ|联系我们|豆豆网 ( 苏ICP备20004746号-1 )

GMT+8, 2025-12-28 11:49 , Processed in 0.015320 second(s), 28 queries .

本站所有内容均由网友自主分享,如有侵权内容或者违法行为,请及时联系站长删除,本站将根据实际情况进行积分奖励!请查看:免责声明

快速回复 返回顶部 返回列表