豆豆网

 找回密码
 立即注册

QQ登录

只需一步,快速开始

查看: 1453|回复: 0

污水处理厂低压配电成套设计电气CAD图纸(二次控制原理)

[复制链接]

0

主题

0

帖子

1096

积分

超级版主

Rank: 8Rank: 8

积分
1096
发表于 2020-2-22 10:29:51 | 显示全部楼层 |阅读模式

该帖子包含附件可供参考学习和下载,您可以 搜索 更多您想要的资源


  • 建筑类别:工业建筑
  • 图纸设计深度:施工图
  • 参考图纸:36张
  • 强电设计:继电保护,电气控制

附件详情

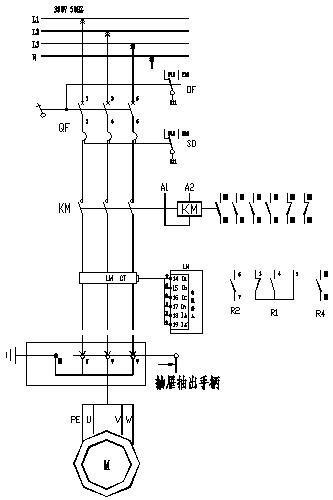
  • 1、电动机主接线图
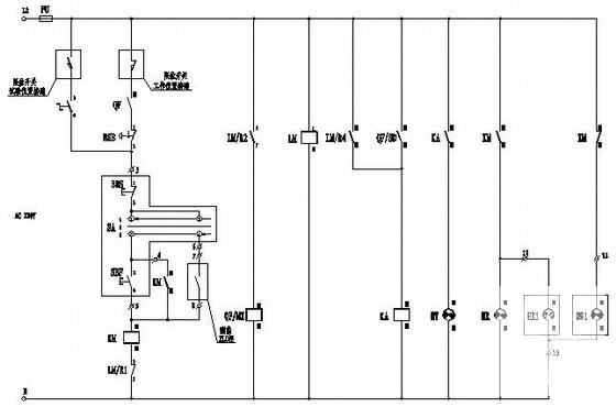
  • 2、二次控制原理
  • 3、端子接线图
  • 4、馈电回路控制接线图
  • 5、低压开关柜控制原理图
  • 6、电缆敷设表。

附件详情

该附件是某污水处理厂低压配电成套设计电气图纸,电气设计包含电动机主接线图、二次控制原理、端子接线图、馈电回路控制接线图、低压开关柜控制原理图、电缆敷设表。

低压成套电气 - 1
第 1 张图
低压成套电气 - 2
第 2 张图
低压成套电气 - 3
第 3 张图
低压成套电气 - 4
第 4 张图
以上是部分图纸截图,有些图框没有放大后再截图,可能截图里不清晰或者看不到内容,您可以在下载后查看具体内容

温馨提示:该资料由网友于2020-2-22 10:29:51上传分享,您可以下载该资料进行学习和参考,如有侵权内容或者违法行为,请及时联系站长删除,如有疑问,您可以在电气工程专区发帖交流相关知识。

附件2099v11edecd1ffcsw1ddsfc2c.zip

1.16 MB

下载  售价: 100 积分    赚积分

低压成套电气相关帖子

回复

使用道具 举报

您需要登录后才可以回帖 登录 | 立即注册

本版积分规则

QQ|联系我们|豆豆网 ( 苏ICP备20004746号-1 )

GMT+8, 2025-12-18 21:48 , Processed in 0.016060 second(s), 27 queries .

本站所有内容均由网友自主分享,如有侵权内容或者违法行为,请及时联系站长删除,本站将根据实际情况进行积分奖励!请查看:免责声明

快速回复 返回顶部 返回列表