豆豆网

 找回密码
 立即注册

QQ登录

只需一步,快速开始

查看: 824|回复: 0

一份职业中学实训楼标准构造CAD施工图纸(平面尺寸)

[复制链接]

0

主题

0

帖子

1832

积分

超级版主

Rank: 8Rank: 8

积分
1832
发表于 2020-2-23 07:58:47 | 显示全部楼层 |阅读模式

该帖子包含附件可供参考学习和下载,您可以 搜索 更多您想要的资源


附件详情

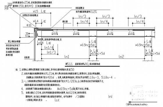
屋面框架梁WKL纵向钢筋构造、次梁底比主梁底低时吊柱做法、构造柱GZ做法、板阳角附加斜向钢筋、穿梁管洞洞边加强做法、钢筋混凝土门过梁、沉降观测点做法大样、现浇柱与基础梁交接处平面尺寸和构造配筋共两张图纸。


施工图尺寸 - 1
第 1 张图
施工图尺寸 - 2
第 2 张图
以上是部分图纸截图,有些图框没有放大后再截图,可能截图里不清晰或者看不到内容,您可以在下载后查看具体内容

温馨提示:该资料由网友于2020-2-23 07:58:47上传分享,您可以下载该资料进行学习和参考,如有侵权内容或者违法行为,请及时联系站长删除,如有疑问,您可以在建筑施工专区发帖交流相关知识。

附件2099v11edfwwd2csecec11e1dc.zip

490.83 KB

下载  售价: 100 积分    赚积分

施工图尺寸相关帖子

回复

使用道具 举报

您需要登录后才可以回帖 登录 | 立即注册

本版积分规则

QQ|联系我们|豆豆网 ( 苏ICP备20004746号-1 )

GMT+8, 2025-12-26 19:00 , Processed in 0.015426 second(s), 27 queries .

本站所有内容均由网友自主分享,如有侵权内容或者违法行为,请及时联系站长删除,本站将根据实际情况进行积分奖励!请查看:免责声明

快速回复 返回顶部 返回列表