豆豆网

 找回密码
 立即注册

QQ登录

只需一步,快速开始

查看: 626|回复: 0

一份中学配电房2台630KVA专变工程CAD施工图纸

[复制链接]

0

主题

0

帖子

1642

积分

超级版主

Rank: 8Rank: 8

积分
1642
发表于 2020-2-23 11:19:57 | 显示全部楼层 |阅读模式

该帖子包含附件可供参考学习和下载,您可以 搜索 更多您想要的资源


附件详情

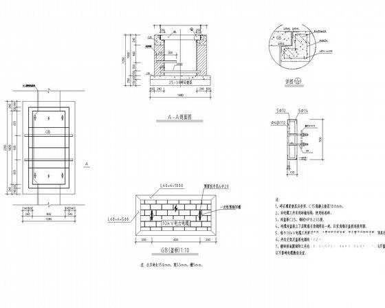
该项目为市区中学配电房项目。设计范围包括:设计说明、 设备选型 表、10kV一次系统图、0.4kV一次系统图、0.4kV一次系统图、电气平面布置图、配电室立面图、土建提资图、照明平面布置图、接地 平面布置图 、10kV电源进线示意图、单杆令克安装、10kV导管施工图、10kV 2孔电缆直线井施工图。


电源进线示意图

电气平面布置图

照明平面布置图

接地平面布置图

电缆直线井施工图

第 1 张图
第 1 张图
第 2 张图
第 2 张图
第 3 张图
第 3 张图
第 4 张图
第 4 张图
第 5 张图
第 5 张图
第 6 张图
第 6 张图
以上是部分图纸截图,有些图框没有放大后再截图,可能截图里不清晰或者看不到内容,您可以在下载后查看具体内容

温馨提示:该资料由网友于2020-2-23 11:19:57上传分享,您可以下载该资料进行学习和参考,如有侵权内容或者违法行为,请及时联系站长删除,如有疑问,您可以在建筑施工专区发帖交流相关知识。

附件2099v11edecs2s1fc1ecss21s1.rar

2.92 MB

下载  售价: 100 积分    赚积分

相关帖子

回复

使用道具 举报

您需要登录后才可以回帖 登录 | 立即注册

本版积分规则

QQ|联系我们|豆豆网 ( 苏ICP备20004746号-1 )

GMT+8, 2025-12-28 21:36 , Processed in 0.016391 second(s), 28 queries .

本站所有内容均由网友自主分享,如有侵权内容或者违法行为,请及时联系站长删除,本站将根据实际情况进行积分奖励!请查看:免责声明

快速回复 返回顶部 返回列表