豆豆网

 找回密码
 立即注册

QQ登录

只需一步,快速开始

查看: 1858|回复: 0

一份12米跨单层水泥厂粉磨车间厂房结构设计方案CAD图纸

[复制链接]

0

主题

0

帖子

1351

积分

超级版主

Rank: 8Rank: 8

积分
1351
发表于 2020-3-1 11:14:40 | 显示全部楼层 |阅读模式

该帖子包含附件可供参考学习和下载,您可以 搜索 更多您想要的资源


  • 建筑类别:工业建筑
  • 厂房建筑高度类型:单层厂房
  • 建筑地上层数:1层
  • 图纸设计深度:施工图
  • 建筑设计结构形式:钢结构
  • 钢结构:门式刚架
  • 基础形式 :独立基础
  • 结构最大跨度:12m
  • 参考图纸:11张
  • 设计年代:近代

附件详情

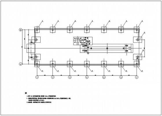
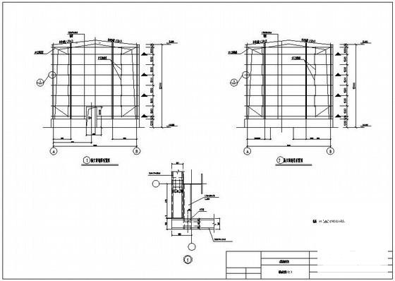
某水泥厂粉磨车间钢结构厂房
该资料包含:基础 平面布置图 ,基础详图,钢架,柱间支撑布置图 檩条详图,屋面结构平面图 隅撑连接 拉条详图,墙梁布置图,等。
共11张图纸。

第 1 张图
第 1 张图
第 2 张图
第 2 张图
第 3 张图
第 3 张图
第 4 张图
第 4 张图
以上是部分图纸截图,有些图框没有放大后再截图,可能截图里不清晰或者看不到内容,您可以在下载后查看具体内容

温馨提示:该资料由网友于2020-3-1 11:14:40上传分享,您可以下载该资料进行学习和参考,如有侵权内容或者违法行为,请及时联系站长删除,如有疑问,您可以在结构设计专区发帖交流相关知识。

附件2099v11edf2d2esc0cc2sdcf0c.rar

977.29 KB

下载  售价: 100 积分    赚积分

相关帖子

回复

使用道具 举报

您需要登录后才可以回帖 登录 | 立即注册

本版积分规则

QQ|联系我们|豆豆网 ( 苏ICP备20004746号-1 )

GMT+8, 2025-12-18 04:18 , Processed in 0.049825 second(s), 27 queries .

本站所有内容均由网友自主分享,如有侵权内容或者违法行为,请及时联系站长删除,本站将根据实际情况进行积分奖励!请查看:免责声明

快速回复 返回顶部 返回列表