豆豆网

 找回密码
 立即注册

QQ登录

只需一步,快速开始

查看: 771|回复: 0

一份3层钢框架结构办公楼结构CAD施工图纸

[复制链接]

0

主题

0

帖子

1096

积分

超级版主

Rank: 8Rank: 8

积分
1096
发表于 2020-2-9 19:22:48 | 显示全部楼层 |阅读模式

该帖子包含附件可供参考学习和下载,您可以 搜索 更多您想要的资源


  • 建筑类别:办公
  • 建筑高度类型:多层建筑
  • 建筑地上层数:3层
  • 图纸设计深度:施工图
  • 民用建筑设计使用年限:50年
  • 建筑设计结构形式:钢结构
  • 钢结构:轻钢结构
  • 基础形式 :独立基础
  • 结构安全等级:二级
  • 地基基础设计等级:丙级
  • 抗震设防烈度:7度抗震
  • 风压:0.35kN/平方米
  • 参考图纸:25张
  • 设计年代:近代

附件详情

该附件为陕西某办公楼,地上三层,建筑设计结构形式为钢框架结构,基础为独立基础,7度设防。
该资料包含: 结构设计说明 、基坑开挖图、基础平面布置图、基础详图、地脚锚栓平面布置图、钢柱平面布置图、梁 平面布置图 、楼承板布置图、板配筋图、节点详图、 楼梯详图 等共25张结构图纸。

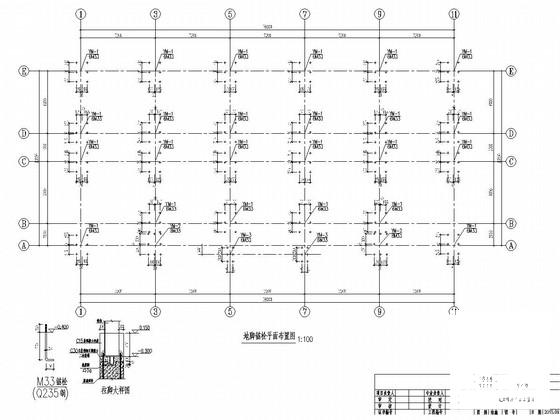
地脚螺栓平面布置图

钢柱平面布置图

三层楼承板布置图

节点详图一

二层梁平面布置图

第 1 张图
第 1 张图
第 2 张图
第 2 张图
第 3 张图
第 3 张图
第 4 张图
第 4 张图
第 5 张图
第 5 张图
第 6 张图
第 6 张图
以上是部分图纸截图,有些图框没有放大后再截图,可能截图里不清晰或者看不到内容,您可以在下载后查看具体内容

温馨提示:该资料由网友于2020-2-9 19:22:48上传分享,您可以下载该资料进行学习和参考,如有侵权内容或者违法行为,请及时联系站长删除,如有疑问,您可以在建筑施工专区发帖交流相关知识。

附件2099v11edfc220dfc1s0d0eccd.zip

1.4 MB

下载  售价: 100 积分    赚积分

相关帖子

回复

使用道具 举报

您需要登录后才可以回帖 登录 | 立即注册

本版积分规则

QQ|联系我们|豆豆网 ( 苏ICP备20004746号-1 )

GMT+8, 2025-12-28 04:24 , Processed in 0.018252 second(s), 27 queries .

本站所有内容均由网友自主分享,如有侵权内容或者违法行为,请及时联系站长删除,本站将根据实际情况进行积分奖励!请查看:免责声明

快速回复 返回顶部 返回列表