豆豆网

 找回密码
 立即注册

QQ登录

只需一步,快速开始

查看: 666|回复: 0

一份钢框架结构高速公路收费大棚结构CAD施工图纸

[复制链接]

0

主题

0

帖子

1642

积分

超级版主

Rank: 8Rank: 8

积分
1642
发表于 2020-2-9 17:24:39 | 显示全部楼层 |阅读模式

该帖子包含附件可供参考学习和下载,您可以 搜索 更多您想要的资源


  • 建筑类别:交通建筑
  • 建筑高度类型:单层建筑
  • 图纸设计深度:施工图
  • 民用建筑设计使用年限:50年
  • 建筑设计结构形式:钢结构
  • 基础形式 :独立基础
  • 结构安全等级:二级
  • 地基基础设计等级:丙级
  • 抗震设防烈度:7度抗震
  • 风压:0.40kN/平方米
  • 雪压:0.40kN/平方米
  • 参考图纸:8张

附件详情

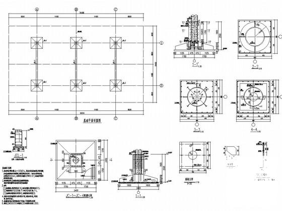
该项目为收费站收费大棚,大棚采用钢框架结的端部设有拉索,主要跨度为11.1m×12m,最大悬挑长度8.5m,屋面采用轻型钢屋面,结构基础采用独立基础。
该资料包含:基础图,收费大棚三维图,收费大棚结构立面图,收费大棚平面图,屋顶结构构件连接关系及编号图,钢结构连接详图,屋面檩条布置图,共计8张图。

收费大棚三维立面图

收费大棚平面图

连接详图

屋面檩条布置图

第 1 张图
第 1 张图
第 2 张图
第 2 张图
第 3 张图
第 3 张图
第 4 张图
第 4 张图
第 5 张图
第 5 张图
以上是部分图纸截图,有些图框没有放大后再截图,可能截图里不清晰或者看不到内容,您可以在下载后查看具体内容

温馨提示:该资料由网友于2020-2-9 17:24:39上传分享,您可以下载该资料进行学习和参考,如有侵权内容或者违法行为,请及时联系站长删除,如有疑问,您可以在建筑施工专区发帖交流相关知识。

附件2099v11edfc2wc0e0dsfs0cecf.rar

1.2 MB

下载  售价: 100 积分    赚积分

相关帖子

回复

使用道具 举报

您需要登录后才可以回帖 登录 | 立即注册

本版积分规则

QQ|联系我们|豆豆网 ( 苏ICP备20004746号-1 )

GMT+8, 2025-12-18 10:44 , Processed in 0.016095 second(s), 27 queries .

本站所有内容均由网友自主分享,如有侵权内容或者违法行为,请及时联系站长删除,本站将根据实际情况进行积分奖励!请查看:免责声明

快速回复 返回顶部 返回列表