豆豆网

 找回密码
 立即注册

QQ登录

只需一步,快速开始

查看: 3022|回复: 0

一份5层老年社会福利服务中心给排水CAD图纸

[复制链接]

0

主题

0

帖子

1096

积分

超级版主

Rank: 8Rank: 8

积分
1096
发表于 2020-2-16 11:33:16 | 显示全部楼层 |阅读模式

该帖子包含附件可供参考学习和下载,您可以 搜索 更多您想要的资源


  • 附件设计说明:有
  • 建筑类别:办公,娱乐
  • 建筑设计结构形式:钢筋混凝土结构
  • 建筑地上层数:5层
  • 图纸设计深度:施工图
  • 参考图纸:9张
  • 设计年代:近代
  • 生活供水设计:生活给水系统
  • 排水设计:污水系统,废水系统,雨水系统
  • 消防设计:室内消火栓系统,灭火器配置系统
  • 供水设备:高位水箱,水泵站,气压水罐,稳压泵,水池
  • 供水方式:市政供水,变频供水,高位水箱供水
  • 排水体制:污废合流
  • 排水技术:重力排水
  • 大样节点:水箱
  • 项目所在地:河北

附件详情

  • 设计、施工说明、消防篇及图例
  • 首层及屋顶水箱间给排水平面图
  • 二层给排水平面图
  • 三层给排水平面图
  • 四层给排水平面图
  • 五层给排水平面图
  • 给水、排水及消火栓系统图

附件详情

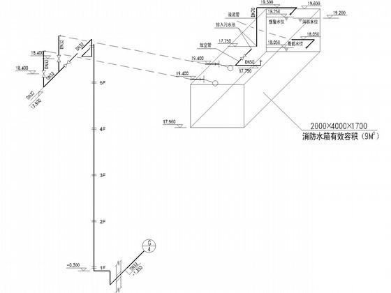
该项目位于河北,为老年社会福利服务中心,地上5层,该资料范围包括:生活给水系统、排水系统、消火栓系统及建筑灭火器配置。给水系统:由于市政给水管满足水量及压力要求,因此由市政给水管网直接供给。排水系统:生活污水采用重力流方式直接排至室外,经化粪池处理后排入生活污水管网。
,共9张图。

二层给排水平面图

消防水箱给水系统图

排水系统图

第 1 张图
第 1 张图
第 2 张图
第 2 张图
第 3 张图
第 3 张图
第 4 张图
第 4 张图
以上是部分图纸截图,有些图框没有放大后再截图,可能截图里不清晰或者看不到内容,您可以在下载后查看具体内容

温馨提示:该资料由网友于2020-2-16 11:33:16上传分享,您可以下载该资料进行学习和参考,如有侵权内容或者违法行为,请及时联系站长删除,如有疑问,您可以在给水排水专区发帖交流相关知识。

附件2099v11edc01dcw2cfdfd2ccdc.rar

587.83 KB

下载  售价: 100 积分    赚积分

相关帖子

回复

使用道具 举报

您需要登录后才可以回帖 登录 | 立即注册

本版积分规则

QQ|联系我们|豆豆网 ( 苏ICP备20004746号-1 )

GMT+8, 2025-12-20 02:32 , Processed in 0.015680 second(s), 27 queries .

本站所有内容均由网友自主分享,如有侵权内容或者违法行为,请及时联系站长删除,本站将根据实际情况进行积分奖励!请查看:免责声明

快速回复 返回顶部 返回列表