豆豆网

 找回密码
 立即注册

QQ登录

只需一步,快速开始

查看: 1496|回复: 0

一份最新知名景区游客中心电气CAD图纸

[复制链接]

0

主题

0

帖子

1384

积分

超级版主

Rank: 8Rank: 8

积分
1384
发表于 2020-2-16 21:44:03 | 显示全部楼层 |阅读模式

该帖子包含附件可供参考学习和下载,您可以 搜索 更多您想要的资源


附件详情

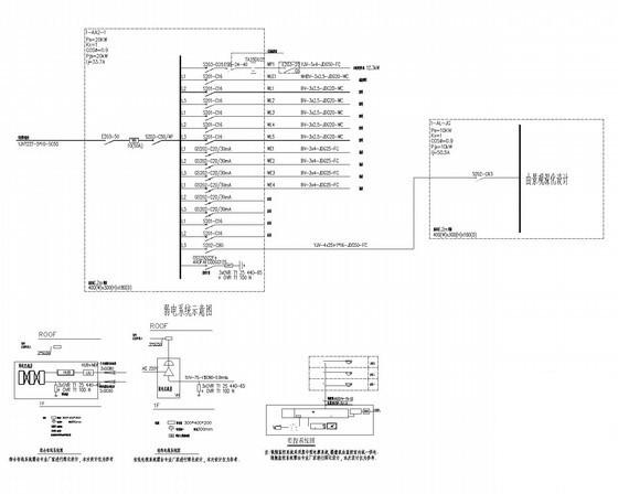
该项目为知名景区游客中心单体项目。设计范围包括:照明平面图,电气平面图,应急 照明平面图 防雷接地 平面图, 强电 系统图,弱电系统图。

照明平面图

接地平面图

系统图

第 1 张图
第 1 张图
第 2 张图
第 2 张图
第 3 张图
第 3 张图
第 4 张图
第 4 张图
以上是部分图纸截图,有些图框没有放大后再截图,可能截图里不清晰或者看不到内容,您可以在下载后查看具体内容

温馨提示:该资料由网友于2020-2-16 21:44:03上传分享,您可以下载该资料进行学习和参考,如有侵权内容或者违法行为,请及时联系站长删除,如有疑问,您可以在电气工程专区发帖交流相关知识。

附件2099v11edeeescf122fed0s2fd.rar

955.06 KB

下载  售价: 100 积分    赚积分

相关帖子

回复

使用道具 举报

您需要登录后才可以回帖 登录 | 立即注册

本版积分规则

QQ|联系我们|豆豆网 ( 苏ICP备20004746号-1 )

GMT+8, 2025-12-24 01:56 , Processed in 0.016771 second(s), 27 queries .

本站所有内容均由网友自主分享,如有侵权内容或者违法行为,请及时联系站长删除,本站将根据实际情况进行积分奖励!请查看:免责声明

快速回复 返回顶部 返回列表