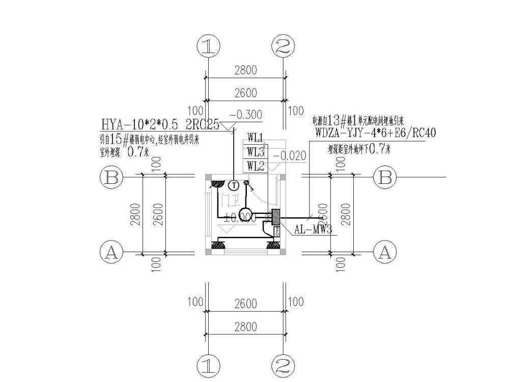
海小区服务用房电气CAD施工图纸[门卫室垃圾房]
- 发布时间:2021-05-15
- 评论次数:0
- 浏览次数:0
- 文件大小:0.25 MB
- 收藏次数:0
-
文件名称:
附件-996099559697986877.dwg
小区门卫室施工图下载
- 住宅小区垃圾房及门卫室电气CAD施工图纸
- 2层小区门卫室配电房及物业用房电气CAD施工图纸
- 大型居住小区垃圾房及门卫结构施工CAD图纸
- 小型门卫房电气施工CAD图纸
- 机场门卫室电气施工CAD图纸
- 小区门卫室施工CAD详图纸(dwg)
- 小区门卫室节点大样CAD图纸(dwg)
- 企业小型门卫室电气施工CAD图纸
- 工业厂区大门门卫室电气CAD图纸(dwg)
- 住宅小区配电房、门卫及地下室施工组织设计.pdf
- 海房档案室新馆装修项目电气施工图cad平面图
- 2层粮仓、业务用房、门卫及厕所电气CAD施工图纸
- 小区门卫室混凝土结构施工方案图纸CAD含建筑图纸
- 小区门卫房结构设计CAD施工图纸.dwg
- 门卫室CAD施工图纸(dwg)
- 门卫室施工CAD详图纸(dwg)
- 门卫室施工CAD详图纸(dwg)
- 小型门卫室强电施工CAD图纸
- 国内公园服务用房(餐饮、住宿)电气施工方案
- 住宅小区垃圾房混凝土结构施工方案图纸CAD
全部评论
评论网友评论仅友表达个人看法,并不表明本站同意其观点,不得发布违反法律法规的内容!
