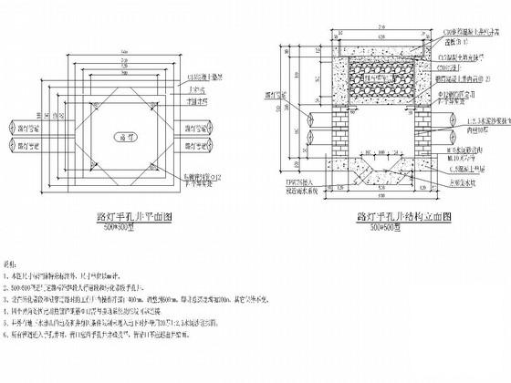
四车道城市次干道照明工程设计套大样图cad
- 发布时间:2021-05-16
- 评论次数:0
- 浏览次数:0
- 文件大小:1.28 MB
- 收藏次数:0
-
文件名称:
附件-995789555598677759.rar
城市次干道设计下载
- [CAD]四车道城市次干道照明工程设计套图(总共18页图纸).dwg
- 城市次干道照明工程设计施工CAD大样图(10张)
- 双向四车道城市次干道电气照明工程CAD施工图纸设计.dwg
- 双向四车道城市次干道电气照明工程施工图设计cad
- 双向四车道城市次干道施工组织设计126页(含道排照明).doc
- 双向四车道城市次干道排水工程CAD施工大样图设计.dwg
- 22m宽城市次干道沥青混凝土,照明工程设计cad图
- 城市次干道照明工程设计CAD施工图(总共10页图纸).dwg
- 22m宽城市次干道照明工程设计CAD施工大样图(20张)
- 双向四车道城市次干道全套施工图设计350张(道路排水照明),构造图,平面图,大样图
- 城市次干道新建雨污水管道工程设计套图(32张),大样图
- 城市次干道照明工程cad平面图
- [CAD]城市次干道照明设计大样图(不设路灯箱变).dwg
- 城市次干道道路照明工程施工大样图设计12张.
- 城市次干道道路照明工程施工CAD大样图设计33张
- 城市外环双向6车道照明工程设计大样图.
- 双向四车道城市次干路交通工程设计大样图cad
- [CAD]26m宽双向四车道城市次干道照明设计施工图纸18张.dwg
- 双向四车道城市次干道道路工程CAD施工图纸设计67张(dwg)
- 四车道城市次干道电力工程CAD施工图纸设计13张.dwg
全部评论
评论网友评论仅友表达个人看法,并不表明本站同意其观点,不得发布违反法律法规的内容!
