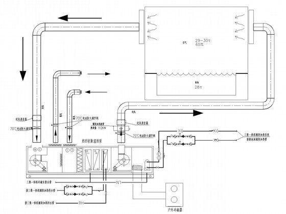
室内恒温游泳馆除湿空调及地暖采暖系统设计施工CAD图纸
- 发布时间:2021-05-01
- 评论次数:0
- 浏览次数:0
- 文件大小:1.43 MB
- 收藏次数:0
- 
								文件名称: 附件-995858898879659060905.rar 附件-995858898879659060905.rar
								室内游泳馆设计施工下载
							
						- 室内游泳馆给排水CAD施工大样图(dwg)
- 4层体育中心游泳馆给排水CAD施工图纸(室内消火栓系统)(dwg)
- 3层石漆外墙室内游泳馆建筑施工CAD图纸(能耗计算书).dwg
- 游泳馆采暖空调设计.doc
- 框架结构大学体育馆、游泳馆室内装饰装修施工组织设计.doc
- 游泳馆空调节能设计分析.doc
- 游泳馆空调通风设计施工图(知名设计院)平面图
- 一份两层框架结构中学室内温水游泳馆结构CAD施工图纸(型钢混凝土梁)
- 中学室内温水游泳馆两层结构CAD施工图纸(dwg)(7度抗震)(二级结构安全)
- 游泳馆给排水CAD图纸
- 游泳馆网架制作、安装方案
- 游泳馆造价指标分析.doc
- 某游泳馆防雷接地施工方案.doc
- 游泳馆工程冬季施工方案.doc
- 游泳馆项目防雷接地施工方案
- 某游泳馆防雷接地施工方案
- 游泳馆玻璃幕墙建筑设计CAD施工图纸
- 一份甲级设计院游泳馆电气CAD施工图纸
- [CAD]体育中心游泳馆空调通风设计施工图(大院图纸)
- 2层游泳馆建筑暖通空调及通风排烟设计CAD施工图纸
全部评论
						
							评论网友评论仅友表达个人看法,并不表明本站同意其观点,不得发布违反法律法规的内容!
						
						
 
	              	 
	              	 
	              	 
	              	 
	              	