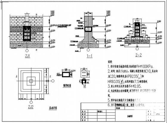
4368平米14米跨小圆拱温室CAD施工图纸
- 发布时间:2021-05-04
- 评论次数:0
- 浏览次数:0
- 文件大小:1.21 MB
- 收藏次数:0
-
文件名称:
附件-995878098097058567907.rar
温室施工图下载
- 小圆拱温室CAD施工图纸(民用建筑设计)(dwg)(条形基础)
- 农业基地温室大棚建筑施工CAD图纸
- 展览温室结构设计CAD施工图纸
- 玻璃智能连栋温室大棚施工CAD图纸
- 钢桁架结构玻璃温室结构施工CAD图纸
- 低温温室给排水施工图纸cad
- 单跨30米连跨60米无梁拱大棚建筑结构方案设计CAD图纸
- 连栋大棚温室建筑方案设计图纸_薄膜温室基础平面图_cad
- 国内度假村温室大棚消防电气CAD图纸
- 一份温室大棚钢结构部分CAD图纸
- 三跨异形拱连续梁桥拱肋安装施工方案(71页)
- 特大桥1-112m提篮拱主跨结构施工工艺.doc
- 京珠高速桥梁提篮拱主跨结构施工.doc,布置图
- 双跨连拱隧道洞身开挖支护施工方案34p.doc
- 跨高速公路特大桥转体拱肋施工方案.doc
- 跨高速公路连续梁拱专项施工方案139页Word
- 下承式系杆拱80.3m跨径桥全套CAD施工图纸.dwg
- 一份主跨110m双跨独斜拱塔双索面斜拉桥施工图(83页图纸)(cad设计图)
- 铁路跨高速公路1-96m系杆拱特大桥施工组织设计132页(先梁后拱法,支架法)
- 箱梁梁底模板跨中设置预(反)拱的计算.doc
全部评论
评论网友评论仅友表达个人看法,并不表明本站同意其观点,不得发布违反法律法规的内容!
