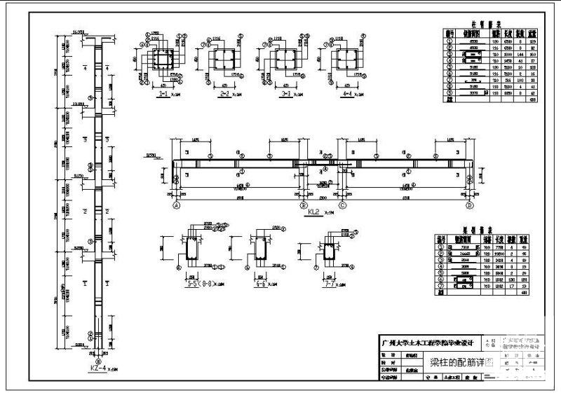
5247平米4层框架教学楼毕业设计方案(计算书、部分建筑结构设计CAD图纸)
- 发布时间:2021-04-26
- 评论次数:0
- 浏览次数:0
- 文件大小:7.47 MB
- 收藏次数:0
-
文件名称:
附件-995850766885798078579.rar
教学楼建筑设计方案下载
- 教学楼建筑设计方案文本(多层建筑)
- [案例]中学教学楼毕业设计方案(建筑、结构CAD图纸)
- [案例]4层框架教学楼毕业设计方案(建筑、结构CAD图纸)
- 5层框架结构中学教学楼毕业设计方案(建筑)
- 一份框架教学楼毕业设计方案(建筑、结构CAD图纸)
- 一份中学教学楼毕业设计方案(建筑、结构CAD图纸)
- 一份教学楼毕业设计方案(建筑、结构CAD图纸)
- [CAD]中学教学楼建筑设计方案,共5张.dwg
- [CAD]教学楼建筑设计方案(办公室).dwg
- [CAD]4层大学教学楼建筑设计方案.dwg
- [CAD]高等院校主教学楼(南楼)建筑设计方案.dwg
- 3层教学楼建筑设计方案_CAD
- 6层教学楼建筑设计方案_CAD
- 大学建筑系教学楼设计方案文本cad平面图
- 某地大学教学楼建筑规划投标设计方案图cad
- 大学校园教学楼建筑设计方案.pdf
- 教学楼毕业设计方案
- [中学教学楼]比较实用的教学楼建筑CAD施工图纸
- [希望小学教学楼][毕业设计方案]小学教学楼毕业设计方案计算书
- [建筑平面][毕业设计方案]辅助教学楼框架结构计算书
全部评论
评论网友评论仅友表达个人看法,并不表明本站同意其观点,不得发布违反法律法规的内容!
