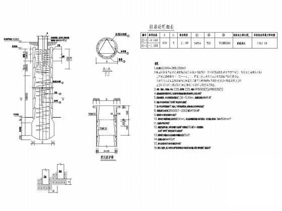
6层框架结构中心小学宿舍楼结构设计施工CAD大样图
- 发布时间:2021-05-08
- 评论次数:0
- 浏览次数:0
- 文件大小:1.34 MB
- 收藏次数:0
-
文件名称:
附件-995888599077788675668.rar
框架结构宿舍楼下载
- 6层(局部7层)框架结构中心小学宿舍楼结构CAD施工大样图(dwg)
- 4层框架结构宿舍楼结构设计施工CAD大样图
- 3层框架结构小学宿舍楼结构设计施工CAD大样图
- 6层框架结构男生宿舍楼结构设计施工CAD大样图
- 5层框架结构宿舍楼结构设计施工CAD大样图
- 5层框架结构中心小学教学楼结构设计施工CAD图纸
- 3层框架结构中心小学公租房结构设计施工CAD图纸
- 6层框架结构员工宿舍楼结构设计施工CAD图纸
- 7层框架结构宿舍楼结构设计施工CAD图纸
- 12层框架结构宿舍楼结构设计CAD施工图纸
- 5层框架结构宿舍楼结构设计施工CAD图纸
- 4层框架结构公司宿舍楼结构设计施工CAD图纸
- 大学6层框架结构宿舍楼施工CAD大样图
- 地上5层框架结构宿舍楼结构施工CAD大样图
- 大学6层框架结构宿舍楼CAD施工大样图(建筑大样图)(dwg)
- 4层框架宿舍楼结构设计CAD施工大样图
- 6层高校宿舍楼框架结构设计CAD施工图纸
- 一份独立基础框架结构厂区宿舍楼结构设计CAD施工图纸
- 5层框架结构男生宿舍楼结构设计施工CAD图纸
- 7层异形柱框架结构教师宿舍楼结构设计施工CAD图纸
全部评论
评论网友评论仅友表达个人看法,并不表明本站同意其观点,不得发布违反法律法规的内容!
