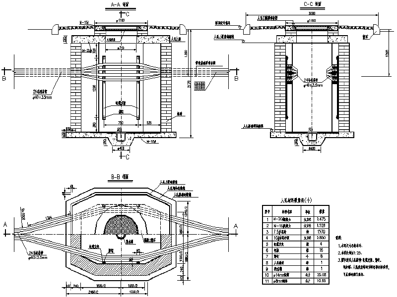
交通工程监控/通信/收费系统施工图纸设计cad示意图及总布置图
- 发布时间:2021-05-24
 - 评论次数:0
 
- 浏览次数:0
 - 文件大小:2.92 MB
 
- 收藏次数:0
 - 
								文件名称:
 附件-996008678900555509.zip
							 
								交通工程监控设计图下载
							
						- 城市支路道路智能交通设计图纸21张(监控系统).
 - 交通监控系统大样CAD图纸(dwg)
 - 道路交通信号、交通监控、交通标志标线标牌,平面图
 - 智慧监控系统解决方案---智能交通方案.docx
 - 交通工程及沿线设施总体设计图
 - [CAD]交通工程分向车道交通标志设计图纸(总共12张).dwg
 - 交通工程分向车道交通标志设计图(12张)
 - 机场互通及连接线工程交通监控收费系统设施设计图290张,大样图,布置图
 - 跨海大桥连接线互通及海底隧道工程交通监控设计图342页.pdf,大样图,系统图,布置图
 - 城市道路交通工程监控大样CAD图纸
 - 城市支路交通监控工程施工大样图设计cad说明书
 - 道路交通监控工程图纸cad系统图及剖面图
 - 交通安全设施及电子监控工程招标文件96p.pdf
 - 220kV升压站设计图纸(监控系统).
 - 某周界防范与监控设计图cad
 - 某工厂监控报警系统设计图cad
 - 某公司监控系统设计图CAD
 - 某厂区门禁监控布置平面设计图CAD设计图
 - 市政道路交通监控CAD施工大样图22张(电子警察视频监控)
 - 隧道交通监控系统大样图61张(含管理站监控预留预埋),布置图
 
全部评论
						
							评论网友评论仅友表达个人看法,并不表明本站同意其观点,不得发布违反法律法规的内容!
						
						