豆豆网

 找回密码
 立即注册

QQ登录

只需一步,快速开始

查看: 2262|回复: 0

一份7层商住楼给排水CAD施工图纸(仓库)

[复制链接]

0

主题

0

帖子

1075

积分

超级版主

Rank: 8Rank: 8

积分
1075
发表于 2020-2-17 23:21:08 | 显示全部楼层 |阅读模式

该帖子包含附件可供参考学习和下载,您可以 搜索 更多您想要的资源


  • 附件设计说明:有
  • 建筑类别:住宅,商业
  • 建筑高度类型:多层建筑
  • 建筑地上层数:7层
  • 建筑地下层数:1层
  • 图纸设计深度:施工图
  • 参考图纸:23张
  • 地下室用途:车库
  • 生活供水设计:生活给水系统
  • 排水设计:污水系统,雨水系统
  • 消防设计:室内消火栓系统,喷淋系统,灭火器配置系统
  • 供水方式:市政供水
  • 供水分区:无
  • 排水体制:污废合流
  • 排水技术:重力排水
  • 火灾危险等级:中危险级Ⅱ级
  • 消火栓用水量室外(L/S):25
  • 消火栓用水量室内(L/S):30
  • 大样节点:水箱,泵房,厨房,卫生间

附件详情

  • 设计说明
  • 设备和主要器材表
  • 生活给水系统原理图 商场卫生间详图
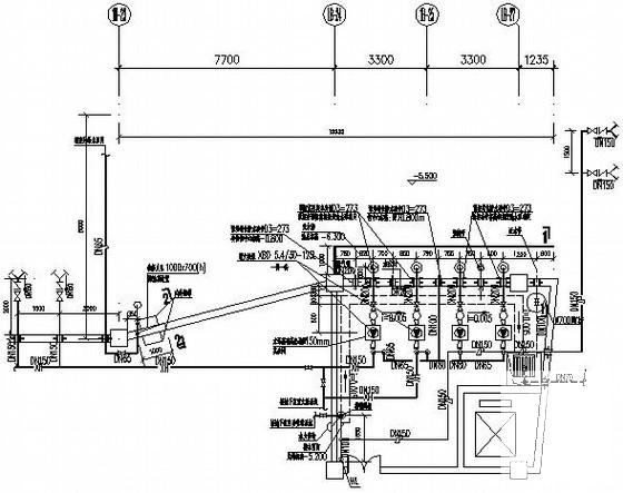
  • 生活污水水系统原理图
  • 雨水系统原理图
  • 消火栓系统原理图
  • 负一层~顶层给排水消防平面图
  • 仓库一~六层消火栓平面图
  • 仓库七层消火栓平面图 屋顶水箱平面图
  • 水池水泵房详图
  • 厨卫大样图
  • 屋顶水箱大样图

附件详情

商住楼给排水全套施工图纸(含仓库),建筑地上7层,地下一层,其中地下一层为车库,一层、二层为商场,建筑高度23.80m;仓库为丙类仓库,地上7层,地下一层,建筑高度26.2 m。设计范围:建筑、仓库给水排水、消防等管道系统、屋面雨水系统及消防泵房设计。
共23张图纸。

三层给排水平面图

仓库七层消火栓平面图

厨房卫生间放大图

生活污水水系统原理图

消防泵房平面图

第 1 张图
第 1 张图
第 2 张图
第 2 张图
第 3 张图
第 3 张图
第 4 张图
第 4 张图
第 5 张图
第 5 张图
第 6 张图
第 6 张图
以上是部分图纸截图,有些图框没有放大后再截图,可能截图里不清晰或者看不到内容,您可以在下载后查看具体内容

温馨提示:该资料由网友于2020-2-17 23:21:08上传分享,您可以下载该资料进行学习和参考,如有侵权内容或者违法行为,请及时联系站长删除,如有疑问,您可以在给水排水专区发帖交流相关知识。

附件2099v11edc0f2w1sdf1cedsf1s.rar

2.78 MB

下载  售价: 100 积分    赚积分

相关帖子

回复

使用道具 举报

您需要登录后才可以回帖 登录 | 立即注册

本版积分规则

QQ|联系我们|豆豆网 ( 苏ICP备20004746号-1 )

GMT+8, 2025-12-16 19:10 , Processed in 0.015793 second(s), 27 queries .

本站所有内容均由网友自主分享,如有侵权内容或者违法行为,请及时联系站长删除,本站将根据实际情况进行积分奖励!请查看:免责声明

快速回复 返回顶部 返回列表