豆豆网

 找回密码
 立即注册

QQ登录

只需一步,快速开始

查看: 1913|回复: 0

一份社区刘层住宅楼电气CAD施工图纸(甲级院设计)

[复制链接]

0

主题

0

帖子

1390

积分

超级版主

Rank: 8Rank: 8

积分
1390
发表于 2020-2-21 21:38:37 | 显示全部楼层 |阅读模式

该帖子包含附件可供参考学习和下载,您可以 搜索 更多您想要的资源


附件详情

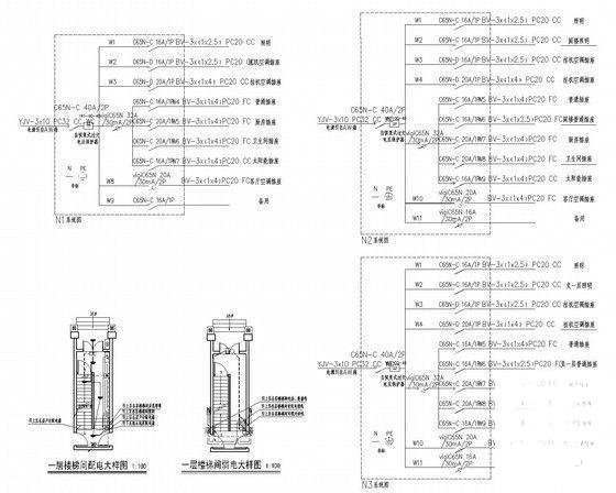
  • 设计说明及图例表、楼梯间配电大样图、弱电系统图、配电系统图、 照明平面图 、插座平面图、 弱电平面图 、屋顶 防雷平面图 、基础接地平面图

附件详情

该项目项目名称为小区多层住宅楼项目,总建筑面积为3814.90平方米,层高 2900,地上6层,地下2层。设计时间为。

照明插座平面图

弱电系统图

配电系统图

接地平面图

第 1 张图
第 1 张图
第 2 张图
第 2 张图
第 3 张图
第 3 张图
第 4 张图
第 4 张图
第 5 张图
第 5 张图
以上是部分图纸截图,有些图框没有放大后再截图,可能截图里不清晰或者看不到内容,您可以在下载后查看具体内容

温馨提示:该资料由网友于2020-2-21 21:38:37上传分享,您可以下载该资料进行学习和参考,如有侵权内容或者违法行为,请及时联系站长删除,如有疑问,您可以在电气工程专区发帖交流相关知识。

附件2099v11edeec11csesc0cdsc2c.rar

912.14 KB

下载  售价: 100 积分    赚积分

相关帖子

回复

使用道具 举报

您需要登录后才可以回帖 登录 | 立即注册

本版积分规则

QQ|联系我们|豆豆网 ( 苏ICP备20004746号-1 )

GMT+8, 2025-12-22 00:31 , Processed in 0.016118 second(s), 27 queries .

本站所有内容均由网友自主分享,如有侵权内容或者违法行为,请及时联系站长删除,本站将根据实际情况进行积分奖励!请查看:免责声明

快速回复 返回顶部 返回列表