豆豆网

 找回密码
 立即注册

QQ登录

只需一步,快速开始

查看: 1917|回复: 0

一份4层医药办公楼给排水CAD施工图纸

[复制链接]

0

主题

0

帖子

962

积分

超级版主

Rank: 8Rank: 8

积分
962
发表于 2020-3-1 13:43:33 | 显示全部楼层 |阅读模式

该帖子包含附件可供参考学习和下载,您可以 搜索 更多您想要的资源


  • 附件设计说明:有
  • 建筑类别:办公
  • 建筑高度类型:多层建筑
  • 建筑地上层数:4层
  • 图纸设计深度:施工图
  • 参考图纸:23张
  • 设计年代:近代
  • 生活供水设计:生活给水系统
  • 生产供水设计:热水系统
  • 排水设计:污水系统,废水系统
  • 消防设计:室外消火栓系统,室内消火栓系统,喷淋系统
  • 供水方式:市政供水
  • 排水体制:污废合流
  • 排水技术:重力排水
  • 消火栓用水量室外(L/S):30
  • 消火栓用水量室内(L/S):15
  • 大样节点:卫生间
  • 项目所在地:浙江

附件详情

  • 给排水设计说明/图例
  • 人防给排水设计说明
  • 泵房大样详图
  • 泵房消防给水系统图给排水系统图
  • 消火栓给水系统图
  • 人防生活给水系统图集水坑排水系统图
  • 给排水系统图自喷给水系统图
  • 公卫给排水大样图
  • 地下室消火栓给水平面图
  • 地下室给排水平面图
  • 一层给排水平面图
  • 自喷平面图
  • 虹吸系统

附件详情

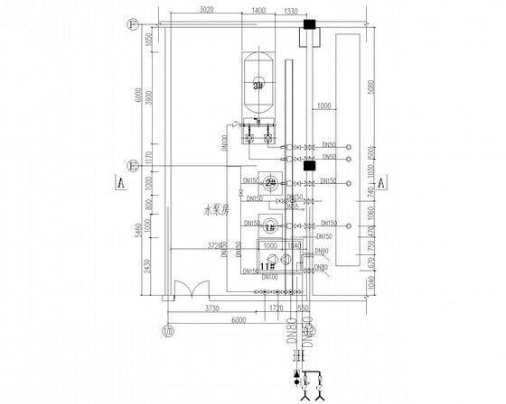
该资料为浙江某医药办公楼给排水施工图纸。该工程共四层,建筑高度为16.20m。本专业设计范围包括:给水系统、排水系统、消火栓给水系统、自动喷水灭火系统和建筑灭火器配置。给水由市政给水管网直接供水,排水采用污废合流制,室外消防用水量30L/S,室内消防用水量15L/S。
,共23张图纸

一层自喷平面图

给排水系统图

消防水池及泵房大样图

3#公共卫生间大样图

第 1 张图
第 1 张图
第 2 张图
第 2 张图
第 3 张图
第 3 张图
第 4 张图
第 4 张图
第 5 张图
第 5 张图
以上是部分图纸截图,有些图框没有放大后再截图,可能截图里不清晰或者看不到内容,您可以在下载后查看具体内容

温馨提示:该资料由网友于2020-3-1 13:43:33上传分享,您可以下载该资料进行学习和参考,如有侵权内容或者违法行为,请及时联系站长删除,如有疑问,您可以在给水排水专区发帖交流相关知识。

附件2099v11edc0fd12cdscsf01s0d.rar

2 MB

下载  售价: 100 积分    赚积分

相关帖子

回复

使用道具 举报

您需要登录后才可以回帖 登录 | 立即注册

本版积分规则

QQ|联系我们|豆豆网 ( 苏ICP备20004746号-1 )

GMT+8, 2025-12-21 00:49 , Processed in 0.015855 second(s), 27 queries .

本站所有内容均由网友自主分享,如有侵权内容或者违法行为,请及时联系站长删除,本站将根据实际情况进行积分奖励!请查看:免责声明

快速回复 返回顶部 返回列表