豆豆网

 找回密码
 立即注册

QQ登录

只需一步,快速开始

查看: 3512|回复: 0

一份15层办公楼给排水消防CAD施工图纸(冷凝水系统气体灭火系统)

[复制链接]

0

主题

0

帖子

963

积分

超级版主

Rank: 8Rank: 8

积分
963
发表于 2020-2-16 13:22:02 | 显示全部楼层 |阅读模式

该帖子包含附件可供参考学习和下载,您可以 搜索 更多您想要的资源


  • 附件设计说明:有
  • 建筑类别:办公
  • 建筑高度类型:高层建筑
  • 建筑设计结构形式:钢筋混凝土结构
  • 建筑设计面积:24880.78平方米
  • 建筑地上层数:15层
  • 建筑地下层数:1层
  • 图纸设计深度:施工图
  • 参考图纸:33张
  • 设计年代:近代
  • 地下室用途:车库
  • 生活供水设计:生活给水系统
  • 排水设计:雨水系统
  • 消防设计:室外消火栓系统, 室内消火栓系统, 喷淋系统, 气体灭火系统
  • 供水方式:分区供水
  • 排水体制:雨污分流
  • 消火栓用水量室外(L/S):30
  • 消火栓用水量室内(L/S):30
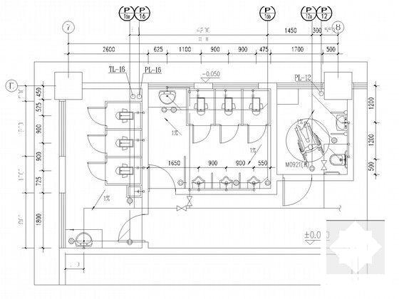
  • 大样节点:卫生间
  • 项目所在地:江苏

附件详情

  • 给排水设计及施工说明
  • 给排水总平面
  • 给水系统图
  • 排水系统图
  • 喷淋平面图
  • 消火栓及给排水平面图
  • 卫生间给排水平面大样布置图
  • 消防水泵平面布置大样图
  • 生活给水系统展开图
  • 无水排水系统展开图
  • 雨水排水系统展开图
  • 冷凝水排水系统展开图
  • 自动喷水灭火系统展开图
  • 消火栓消防给水系统展开图

附件详情

该项目为高层办公楼,地下一层,地上15层,地上建筑面积20518.65平方米,地下建筑面积4362.13平方米,总建筑面积24880.78平方米,建筑高度49.8米。
设计范围:该项目给排水专业设计范围为建筑红线内室内给排水设计,室内消火栓给水系统设计,自动喷水灭火系统设计,地下室给排水工程设计,建筑灭火器配置设计,室外给排水及 消防系统 设计。
,共33张。

泵房大样图

喷淋平面图

卫生间大样图

消火栓给水系统展开图

生活给水系统展开图

第 1 张图
第 1 张图
第 2 张图
第 2 张图
第 3 张图
第 3 张图
第 4 张图
第 4 张图
第 5 张图
第 5 张图
第 6 张图
第 6 张图
以上是部分图纸截图,有些图框没有放大后再截图,可能截图里不清晰或者看不到内容,您可以在下载后查看具体内容

温馨提示:该资料由网友于2020-2-16 13:22:02上传分享,您可以下载该资料进行学习和参考,如有侵权内容或者违法行为,请及时联系站长删除,如有疑问,您可以在给水排水专区发帖交流相关知识。

附件2099v11edewwc2dswce0c010cc.rar

9.57 MB

下载  售价: 100 积分    赚积分

相关帖子

回复

使用道具 举报

您需要登录后才可以回帖 登录 | 立即注册

本版积分规则

QQ|联系我们|豆豆网 ( 苏ICP备20004746号-1 )

GMT+8, 2025-12-28 16:59 , Processed in 0.022114 second(s), 27 queries .

本站所有内容均由网友自主分享,如有侵权内容或者违法行为,请及时联系站长删除,本站将根据实际情况进行积分奖励!请查看:免责声明

快速回复 返回顶部 返回列表