豆豆网

 找回密码
 立即注册

QQ登录

只需一步,快速开始

查看: 2683|回复: 0

一份多层酒店给排水消防CAD施工图纸

[复制链接]

0

主题

0

帖子

1470

积分

超级版主

Rank: 8Rank: 8

积分
1470
发表于 2020-2-16 15:21:13 | 显示全部楼层 |阅读模式

该帖子包含附件可供参考学习和下载,您可以 搜索 更多您想要的资源


  • 附件设计说明:有
  • 建筑类别:酒店
  • 建筑高度类型:多层建筑
  • 建筑设计结构形式:钢筋混凝土结构
  • 建筑设计面积:2521.06平方米
  • 建筑地上层数:5层
  • 图纸设计深度:施工图
  • 参考图纸:6张
  • 消防设计:室外消火栓系统,室内消火栓系统
  • 消火栓用水量室外(L/S):15
  • 消火栓用水量室内(L/S):15
  • 项目所在地:河南

附件详情

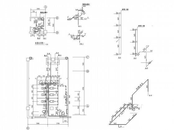
该项目为酒店,地上五层,建筑面积2521.06m2,高度18.10m ,属于二类公共建筑。
该资料为该工程的室内给水、排水、消防及灭火器的配置设计,空调凝结水管道外墙予留
共6张。

给排水系统图

卫生间系统大样图

消火栓系统图

多层酒店给排水 - 1
第 1 张图
多层酒店给排水 - 2
第 2 张图
多层酒店给排水 - 3
第 3 张图
多层酒店给排水 - 4
第 4 张图
以上是部分图纸截图,有些图框没有放大后再截图,可能截图里不清晰或者看不到内容,您可以在下载后查看具体内容

温馨提示:该资料由网友于2020-2-16 15:21:13上传分享,您可以下载该资料进行学习和参考,如有侵权内容或者违法行为,请及时联系站长删除,如有疑问,您可以在给水排水专区发帖交流相关知识。

附件2099v11edew21ff020f1ccfes1.rar

973.53 KB

下载  售价: 100 积分    赚积分

多层酒店给排水相关帖子

回复

使用道具 举报

您需要登录后才可以回帖 登录 | 立即注册

本版积分规则

QQ|联系我们|豆豆网 ( 苏ICP备20004746号-1 )

GMT+8, 2025-12-28 18:48 , Processed in 0.015433 second(s), 27 queries .

本站所有内容均由网友自主分享,如有侵权内容或者违法行为,请及时联系站长删除,本站将根据实际情况进行积分奖励!请查看:免责声明

快速回复 返回顶部 返回列表