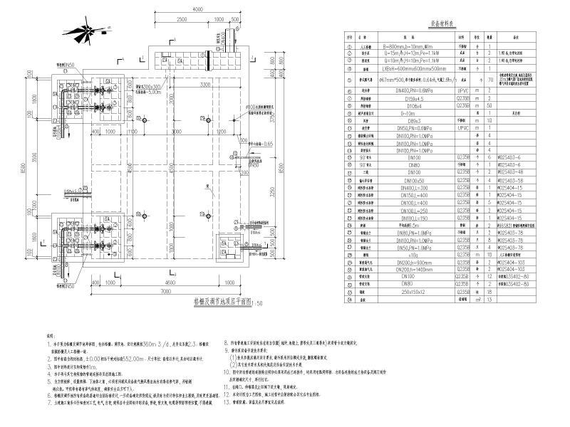
武隆机场污水站水处理施工CAD大样图2018
- 发布时间:2021-05-13
- 评论次数:0
- 浏览次数:0
- 文件大小:2.87 MB
- 收藏次数:0
-
文件名称:
附件-996085768098965707.zip
施工大样图下载
- 污水处理站钢混框架结构施工图2018cad
- 小区污水处理站施工CAD图纸(dwg)
- 小型污水处理站电气施工CAD图纸
- 温泉中心污水处理站施工CAD图纸
- 污水处理站水池防水施工浅谈.doc
- 2018年医院新建污水处理站工程施工合同word38页.doc
- 武隆机场热能中心暖通工艺系统设计CAD施工图纸(dwg)
- 污水处理站竣工CAD图纸(dwg)
- 污水处理站电气CAD图纸(dwg)
- [CAD]污水处理站电气设计.dwg
- [CAD]肉联厂污水处理站大样图(总共30页大样图).dwg
- 武隆县长坝镇城市生活污水处理工程施工组织设计(194页).pdf
- 农村生活污水处理工程污水站管网施工图2020cad平面布置图及大样图
- 46万吨污水处理站水处理构筑物CAD施工图纸
- 化工洗桶废水处理站污水处理工艺CAD施工图纸
- [污水处理站]河道治理度汛施工方案
- 一份污水处理站结构CAD施工图纸
- 一份污水处理站结构CAD施工图纸(沉井式)
- 垃圾回收站污水处理CAD图纸(施工图设计)
- 一份镇污水处理站工艺CAD施工方案图纸
全部评论
评论网友评论仅友表达个人看法,并不表明本站同意其观点,不得发布违反法律法规的内容!
