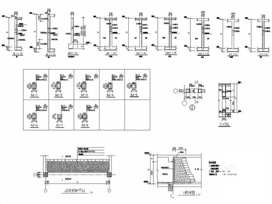
地下1层框架结构单建式地下车库结构施工CAD图纸
- 发布时间:2021-05-08
- 评论次数:0
- 浏览次数:0
- 文件大小:9.96 MB
- 收藏次数:0
-
文件名称:
附件-995888087507988878855.zip
地下车库结构图纸下载
- 地下单层框架结构单建式地下室结构施工CAD图纸
- 地下单层混凝土框架结构附建式地下车库结构施工CAD大样图
- 单建式人防地下室结构设计施工CAD图纸
- 单建式地下车库抗拔桩承台构造CAD图纸(基础设计等级)(dwg)
- 地下单层框架结构地下车库结构CAD施工图纸
- 地下单层框架结构地下车库结构设计施工CAD图纸
- 地下2层框架结构地下车库结构设计施工CAD图纸
- 地下1层框架结构地下车库结构设计施工CAD图纸
- 地下单层框架结构地下车库结构施工CAD图纸
- 地下单层混凝土框架结构地下车库结构施工CAD图纸
- 地下1层框架结构地下车库结构施工CAD图纸
- 国内小区单层框架结构地下车库结构CAD施工图纸(车库)
- 一份现浇框架结构体系地下车库结构CAD施工图纸(建施)
- 地下1层框架结构全埋式地下室结构施工CAD图纸
- 一份地下室1层单建式人防结构CAD施工图纸
- 地下单层框架结构地下车库结构施工CAD大样图
- 地下1层框架结构地下车库结构施工CAD大样图
- 广场人民防空地下室工程施工方案(单建式)
- 附建掘开式框架结构地下停车库结构施工CAD大样图
- 一份地下1层框架结构地下车库结构CAD施工图纸(独立基础)
全部评论
评论网友评论仅友表达个人看法,并不表明本站同意其观点,不得发布违反法律法规的内容!
