豆豆网

 找回密码
 立即注册

QQ登录

只需一步,快速开始

查看: 2614|回复: 0

6层职工宿舍采暖通风设计CAD图纸

[复制链接]

0

主题

0

帖子

1111

积分

超级版主

Rank: 8Rank: 8

积分
1111
发表于 2020-2-27 12:39:23 | 显示全部楼层 |阅读模式

该帖子包含附件可供参考学习和下载,您可以 搜索 更多您想要的资源


  • 附件设计说明:有
  • 建筑类别:住宅
  • 建筑高度类型:多层建筑
  • 建筑地上层数:6层
  • 设计年代:近代
  • 设计内容:通风, 采暖
  • 冷热源:市政热网
  • 采暖系统:散热器供暖
  • 节点大样:管道支吊架
  • 项目所在地:江苏

附件详情

  • 设计施工说明及图例
  • 热水系统管道设备连接大样
  • 热水采暖系统热力入口大样
  • 采暖立管图
  • 采暖供回水干管图
  • 采暖平面图

附件详情

稿件为江苏某职工宿舍楼采暖通风设计图纸;建筑地上6层,采用散热器采暖方式。
设计内容:该宿舍楼的采暖通风设计。

,图纸共8张。

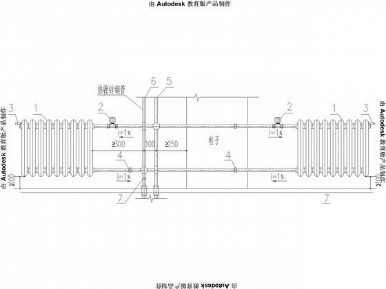
采暖立管图

供热方式连接立面图

采暖供水干管图

热水采暖系统热力入口立面图

第 1 张图
第 1 张图
第 2 张图
第 2 张图
第 3 张图
第 3 张图
第 4 张图
第 4 张图
第 5 张图
第 5 张图
以上是部分图纸截图,有些图框没有放大后再截图,可能截图里不清晰或者看不到内容,您可以在下载后查看具体内容

温馨提示:该资料由网友于2020-2-27 12:39:23上传分享,您可以下载该资料进行学习和参考,如有侵权内容或者违法行为,请及时联系站长删除,如有疑问,您可以在暖通空调专区发帖交流相关知识。

附件2099v11ede2ec0ee00cffcssf0.rar

1.4 MB

下载  售价: 100 积分    赚积分

相关帖子

回复

使用道具 举报

您需要登录后才可以回帖 登录 | 立即注册

本版积分规则

QQ|联系我们|豆豆网 ( 苏ICP备20004746号-1 )

GMT+8, 2025-12-19 22:28 , Processed in 0.043909 second(s), 27 queries .

本站所有内容均由网友自主分享,如有侵权内容或者违法行为,请及时联系站长删除,本站将根据实际情况进行积分奖励!请查看:免责声明

快速回复 返回顶部 返回列表