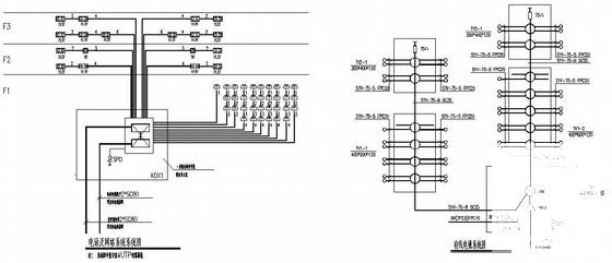
1515平米单层电力培训中心电气CAD图纸
- 发布时间:2021-04-29
 - 评论次数:0
 
- 浏览次数:0
 - 文件大小:0.86 MB
 
- 收藏次数:0
 - 
								文件名称:
 附件-995856978708707807669.rar
							 
								培训中心电气下载
							
						- 电力培训中心电气CAD图纸(综合布线系统)
 - 教学培训中心电气CAD施工图纸
 - 2层培训中心电气CAD施工图纸
 - 中学单层食堂电气CAD图纸
 - 单层附属用房电气施工CAD图纸
 - 单层供水站电气施工CAD图纸
 - 培训中心电梯结构CAD图纸
 - 培训中心综合楼电气CAD施工图纸(框架结构)(dwg)
 - 7800平米9层培训中心电气竣工图纸.
 - 9层培训中心电气竣工图纸(综合布线系统)(TN-C-S)
 - 3层职业教育培训中心电气施工CAD图纸
 - 8层酒店电力、电气、消防等CAD图纸(dwg)
 - 一份单层丁类厂房电气CAD图纸
 - 单层车间电气CAD图纸(工业建筑)
 - 涂装厂房全套电气CAD图纸(单层钢结构)(dwg)
 - 单层综合楼电气CAD图纸(框架结构)
 - 单层丁类厂房电气CAD施工图纸
 - 单层厂房电气设计CAD施工图纸.dwg
 - 单层丙类厂房电气专业施工CAD图纸
 - 甲类单层辅料仓库电气施工CAD图纸(2020.7)
 
全部评论
						
							评论网友评论仅友表达个人看法,并不表明本站同意其观点,不得发布违反法律法规的内容!
						
						