豆豆网

 找回密码
 立即注册

QQ登录

只需一步,快速开始

查看: 2502|回复: 0

一份加油站给排水CAD施工图纸(热水供应)

[复制链接]

0

主题

0

帖子

1597

积分

超级版主

Rank: 8Rank: 8

积分
1597
发表于 2020-2-17 22:58:39 | 显示全部楼层 |阅读模式

该帖子包含附件可供参考学习和下载,您可以 搜索 更多您想要的资源


  • 附件设计说明:有

附件详情

  • 给排水设计说明
  • 站区给水排水 平面布置图
  • 站区消防设施平面布置图
  • 站房给水平面图
  • 站房排水平面图
  • 站房给排水系统图
  • 站房屋面给排水平面图及热水器立面图
  • 洗车房给排水平面图、系统图
  • 储水罐给水配管图
  • 便利店给排水平面图、系统图

附件详情

一、项目概要:
该项目为一座加油站给排水施工工程。
二、设计范围:
室内外生活给水系统;室内外排水系统站区消防设计;便利店给排水系统。
三、系统:
生活给水系统
排水系统
,共10张。

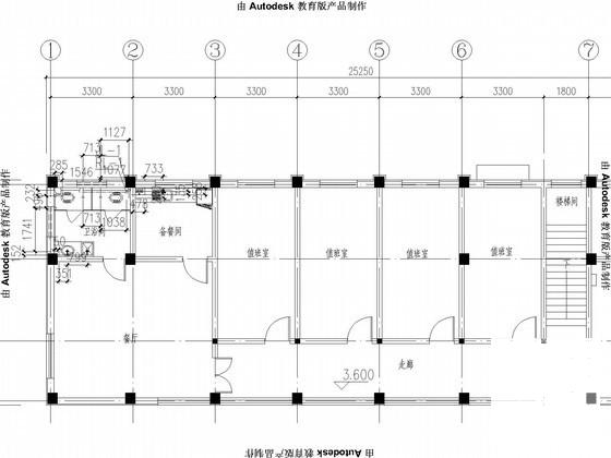
站房给水平面图

站区给排水平面布置图

站区消防设施平面布置图

热水供应施工 - 1
第 1 张图
热水供应施工 - 2
第 2 张图
热水供应施工 - 3
第 3 张图
热水供应施工 - 4
第 4 张图
以上是部分图纸截图,有些图框没有放大后再截图,可能截图里不清晰或者看不到内容,您可以在下载后查看具体内容

温馨提示:该资料由网友于2020-2-17 22:58:39上传分享,您可以下载该资料进行学习和参考,如有侵权内容或者违法行为,请及时联系站长删除,如有疑问,您可以在给水排水专区发帖交流相关知识。

附件2099v11edew2fws0e2se0102c0.rar

1.83 MB

下载  售价: 100 积分    赚积分

热水供应施工相关帖子

回复

使用道具 举报

您需要登录后才可以回帖 登录 | 立即注册

本版积分规则

QQ|联系我们|豆豆网 ( 苏ICP备20004746号-1 )

GMT+8, 2025-12-28 00:54 , Processed in 0.028600 second(s), 28 queries .

本站所有内容均由网友自主分享,如有侵权内容或者违法行为,请及时联系站长删除,本站将根据实际情况进行积分奖励!请查看:免责声明

快速回复 返回顶部 返回列表