豆豆网

 找回密码
 立即注册

QQ登录

只需一步,快速开始

查看: 3085|回复: 0

一份9层综合档案馆给排水、虹吸雨水及高压细水雾消防系统CAD施工图纸

[复制链接]

0

主题

0

帖子

1096

积分

超级版主

Rank: 8Rank: 8

积分
1096
发表于 2020-2-16 15:21:39 | 显示全部楼层 |阅读模式

该帖子包含附件可供参考学习和下载,您可以 搜索 更多您想要的资源


  • 附件设计说明:有
  • 建筑类别:文化
  • 建筑高度类型:高层建筑
  • 建筑地上层数:9层
  • 图纸设计深度:施工图
  • 设计年代:近代
  • 生活供水设计:生活给水系统
  • 排水设计:污水系统,废水系统
  • 消防设计:水喷雾系统
  • 供水设备:水泵站
  • 供水方式:市政供水
  • 供水分区:两区
  • 排水体制:污废合流,雨污分流
  • 大样节点:水泵,泵房,卫生间,设备房布置
  • 项目所在地:安徽

附件详情

一、项目概要及设计范围

该项目为XXXX综合档案馆。 地上9层,高度36.2m,总建筑设计面积:8856m2。
该项目给排水设计包括以下内容:建筑物内生活给水系统;排水系统;室内消火栓给水系统;自动喷水灭火系统。建筑物内灭火器配置。

二、系统设计

(一).生活给水系统
市政管网压力约为0.26MPa,由市政给水干管各引入2根DN250进水管(引入管上设计量水表和倒流防止器),在地块内形成环状管网。1~3层生活给水由市政给水管网直接供给,4~9层由无负压供水设备加压供给。

(二).排水系统
该项目室内排水采用污、废水合流制,排入市政污水管。室外排水采用雨、污分流制。屋面雨水采用重力排水系统,设计重现期采用10年;室外雨水设计重现期采用2年,道路设雨水口。屋面和室外雨水收集后经室外雨水管网排至市政雨水管网。

(三).消防给水系统
该项目 消防系统 设置消室内消火栓系统;自动喷淋灭火系统。
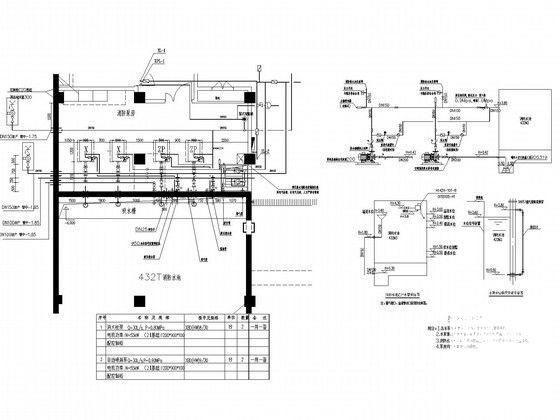
屋顶水箱有效容积为40m ,为自喷系统、消火栓系统共用,位于主楼屋顶。消防水池有效容积432m。消火栓泵和喷淋泵位于地下室泵房内。

(四).虹吸雨水系统
参照合肥市暴雨强度重现期P=50年进行虹吸雨水系统设计。
雨水斗布置在天沟内,天沟要求连通、水平无坡度。连接在同一悬吊管上的雨水斗斗体安装在同一水平面上,确保雨水斗在同一水位进水,使系统不进气,呈有压流状态。

(五)高压细水雾系统
高压细水雾系统由高压细水雾泵组、细水雾喷头、区域控制阀组、不锈钢管道以及火灾报警控制系统等组成。
1)系统持续喷雾时间30min。
2)开式系统的响应时间不大于30s;
3)闭式系统作用面积按140m2/;
4)最不利点喷头工作压力不低于10MPa。
根据保护对象的火灾危险性及空间尺寸选用高压细水雾喷头。


一层喷淋平面图

二层喷淋平面图

高压细水雾系统图

消防水池结构图

负一层喷淋平面图

室外管线总图

负一层喷淋平面图

给水系统图

三层高压细水雾平面图

消防水雾系统 - 1
第 1 张图
消防水雾系统 - 2
第 2 张图
消防水雾系统 - 3
第 3 张图
消防水雾系统 - 4
第 4 张图
消防水雾系统 - 5
第 5 张图
消防水雾系统 - 6
第 6 张图
消防水雾系统 - 7
第 7 张图
消防水雾系统 - 8
第 8 张图
以上是部分图纸截图,有些图框没有放大后再截图,可能截图里不清晰或者看不到内容,您可以在下载后查看具体内容

温馨提示:该资料由网友于2020-2-16 15:21:39上传分享,您可以下载该资料进行学习和参考,如有侵权内容或者违法行为,请及时联系站长删除,如有疑问,您可以在给水排水专区发帖交流相关知识。

附件2099v11edewcc2wccd2c1f1dfd.rar

4.68 MB

下载  售价: 100 积分    赚积分

消防水雾系统相关帖子

回复

使用道具 举报

您需要登录后才可以回帖 登录 | 立即注册

本版积分规则

QQ|联系我们|豆豆网 ( 苏ICP备20004746号-1 )

GMT+8, 2025-12-21 22:56 , Processed in 0.016137 second(s), 27 queries .

本站所有内容均由网友自主分享,如有侵权内容或者违法行为,请及时联系站长删除,本站将根据实际情况进行积分奖励!请查看:免责声明

快速回复 返回顶部 返回列表