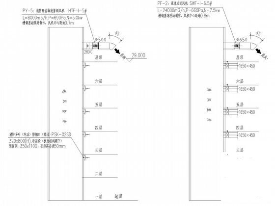
10层17887平米档案馆大楼空调通风设计施工CAD大样图
- 发布时间:2021-04-28
- 评论次数:0
- 浏览次数:0
- 文件大小:2.78 MB
- 收藏次数:0
-
文件名称:
附件-995857856976875557878.rar
档案馆通风空调下载
- 10层档案馆大楼空调通风设计CAD施工大样图(压缩式冷水机组)(dwg)
- 科研大楼通风空调系统设计CAD施工大样图(dwg)
- 8层综合大楼空调通风系统设计施工CAD大样图
- 综合大楼空调通风CAD图纸
- 高层防疫大楼空调通风及防排烟系统设计CAD施工大样图(节能设计)(dwg)
- 14375平米9层防疫大楼空调通风及防排烟系统设计施工CAD大样图
- 10层医院住院大楼中央空调系统及通风排烟设计施工CAD大样图
- 39885平米12层通信大楼空调及通风防排烟系统设计施工CAD大样图
- 12层通信大楼空调及通风防排烟系统设计施工CAD大样图
- 框架档案馆大楼建筑施工方案.doc
- 7层档案馆空调通风及防排烟工程设计CAD施工大样图(机房设计)(压缩式冷水机组)(dwg)
- 大楼空调通风图(总共25页CAD图纸)(dwg)
- 14层医院住院大楼空调通风CAD图纸
- 12层医院住院大楼空调通风CAD图纸
- 高层档案馆建筑空调通风消防排烟系统设计CAD施工图纸(节能建筑)(dwg)
- 高层综合档案馆空调通风及防排烟系统设计CAD施工图纸(dwg)
- 4层档案馆空调通风设计CAD施工图纸(压缩式冷水机组)(dwg)
- 17887平米10层档案馆建筑空调通风消防排烟系统设计施工CAD图纸
- 一份消防办公大楼通风空调系统设计CAD施工图纸
- 一份24层商务办公大楼空调通风设计CAD施工图纸
全部评论
评论网友评论仅友表达个人看法,并不表明本站同意其观点,不得发布违反法律法规的内容!
